AS-Motor (neu) Aufsitzmäher AS 1040 YAK 4WD ab FNr. 033118050001 Motor Ersatzteile
Motor ab FNr. 033118050001

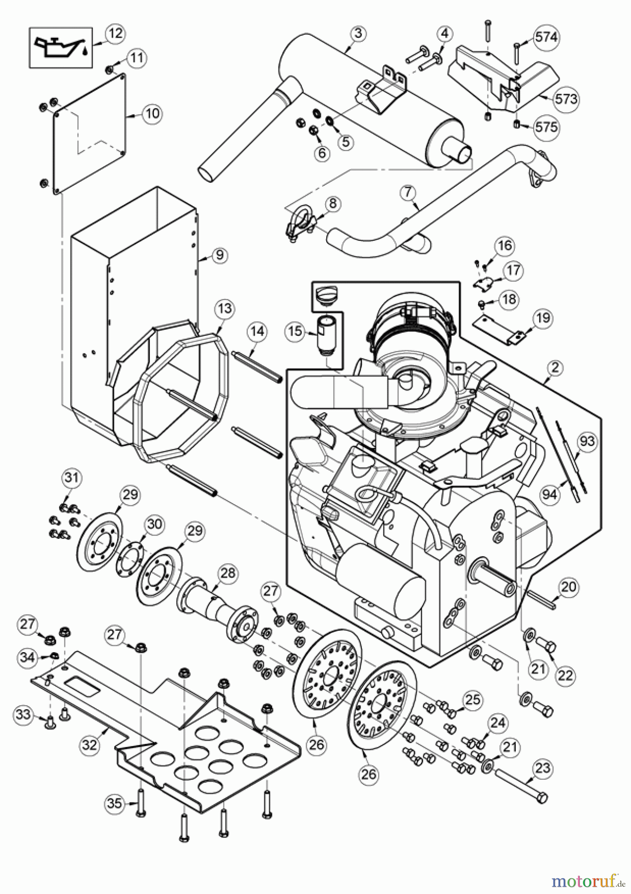
Hier finden Sie die Ersatzteilzeichnung für AS-Motor (neu) Hochgras Aufsitzmäher AS 1040 YAK 4WD ab FNr. 033118050001 Motor. Wählen Sie das benötigte Ersatzteil aus der Ersatzteilliste Ihres AS-Motor (neu) Gerätes aus und bestellen Sie einfach online. Viele AS-Motor (neu) Ersatzteile halten wir ständig in unserem Lager für Sie bereit.


Qualitätsmanagement
Informieren Sie uns, wenn Sie einen Fehler gefunden haben.







