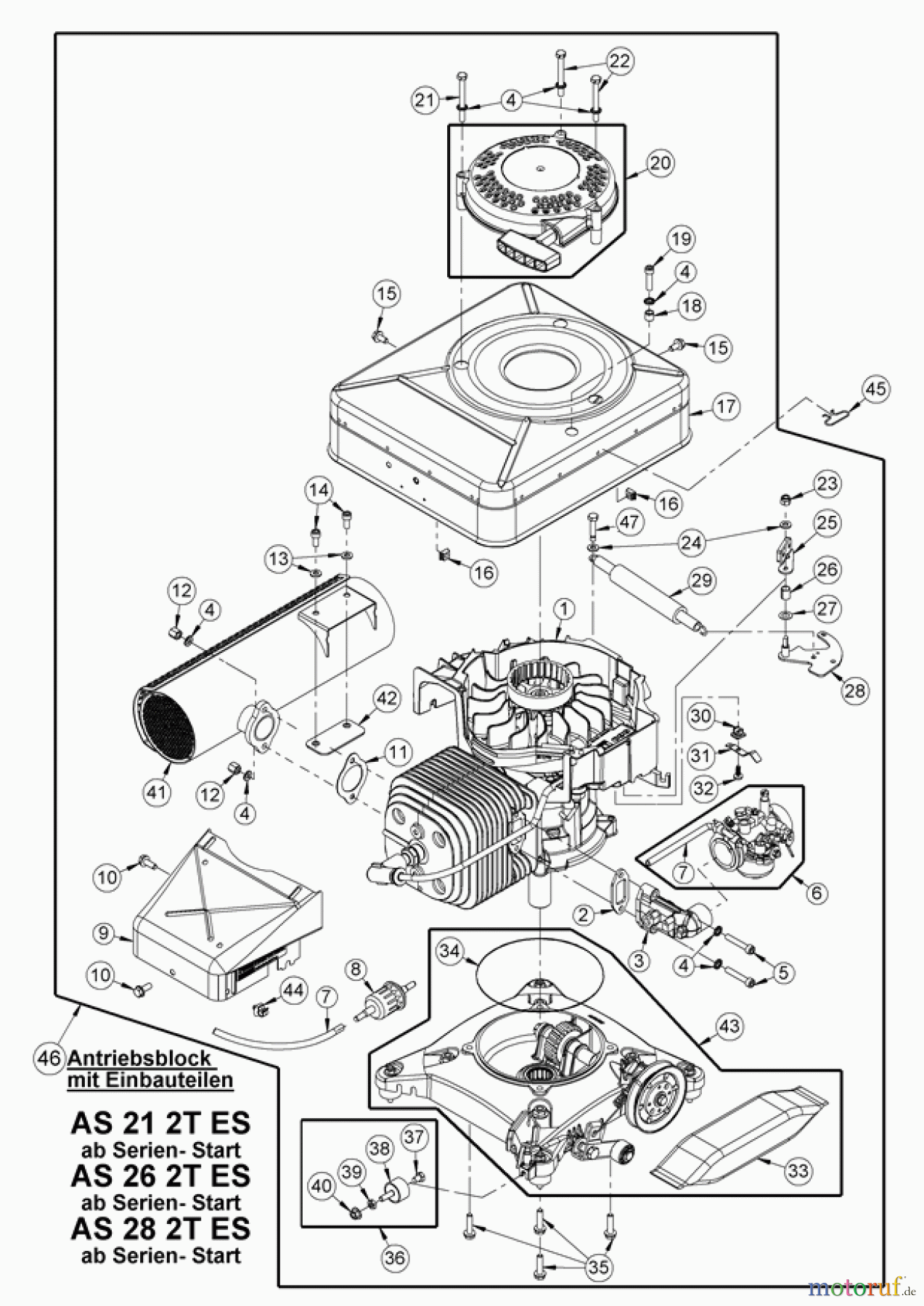
AS-Motor (neu) Allmäher AS 26 AS 26 2T ES ab FNr. 027816070001 Antriebsblock Ersatzteile
Antriebsblock ab FNr. 027816070001

Hier finden Sie die Ersatzteilzeichnung für AS-Motor (neu) Hochgras Allmäher AS 26 AS 26 2T ES ab FNr. 027816070001 Antriebsblock. Wählen Sie das benötigte Ersatzteil aus der Ersatzteilliste Ihres AS-Motor (neu) Gerätes aus und bestellen Sie einfach online. Viele AS-Motor (neu) Ersatzteile halten wir ständig in unserem Lager für Sie bereit.


Qualitätsmanagement
Informieren Sie uns, wenn Sie einen Fehler gefunden haben.



















