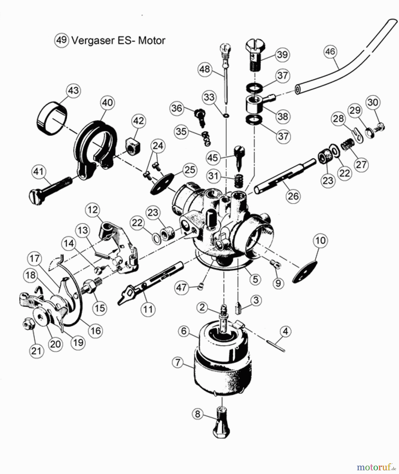
AS-Motor (neu) Allmäher AS 28 AS 28 2T ES ab FNr. 035019010001 Vergaser Ersatzteile
Vergaser ab FNr. 035019010001

Hier finden Sie die Ersatzteilzeichnung für AS-Motor (neu) Hochgras Allmäher AS 28 AS 28 2T ES ab FNr. 035019010001 Vergaser. Wählen Sie das benötigte Ersatzteil aus der Ersatzteilliste Ihres AS-Motor (neu) Gerätes aus und bestellen Sie einfach online. Viele AS-Motor (neu) Ersatzteile halten wir ständig in unserem Lager für Sie bereit.













