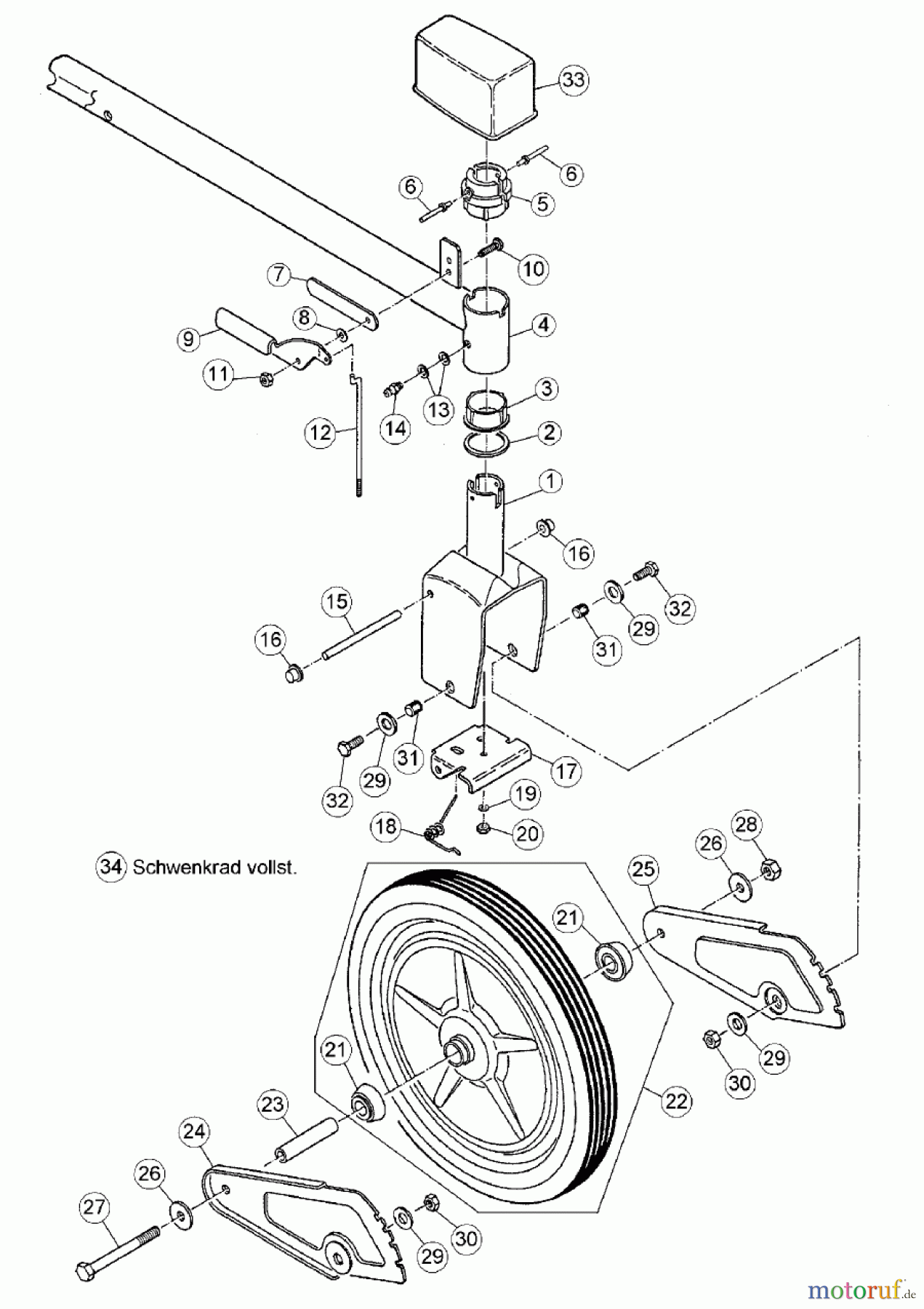
AS-Motor (neu) Allmäher AS 28 AS 28 2T und AS 28/4-Kat ab FNr. 020111040021 Vorderrad Ersatzteile
Vorderrad ab FNr. 020111040021

Hier finden Sie die Ersatzteilzeichnung für AS-Motor (neu) Hochgras Allmäher AS 28 AS 28 2T und AS 28/4-Kat ab FNr. 020111040021 Vorderrad. Wählen Sie das benötigte Ersatzteil aus der Ersatzteilliste Ihres AS-Motor (neu) Gerätes aus und bestellen Sie einfach online. Viele AS-Motor (neu) Ersatzteile halten wir ständig in unserem Lager für Sie bereit.




















