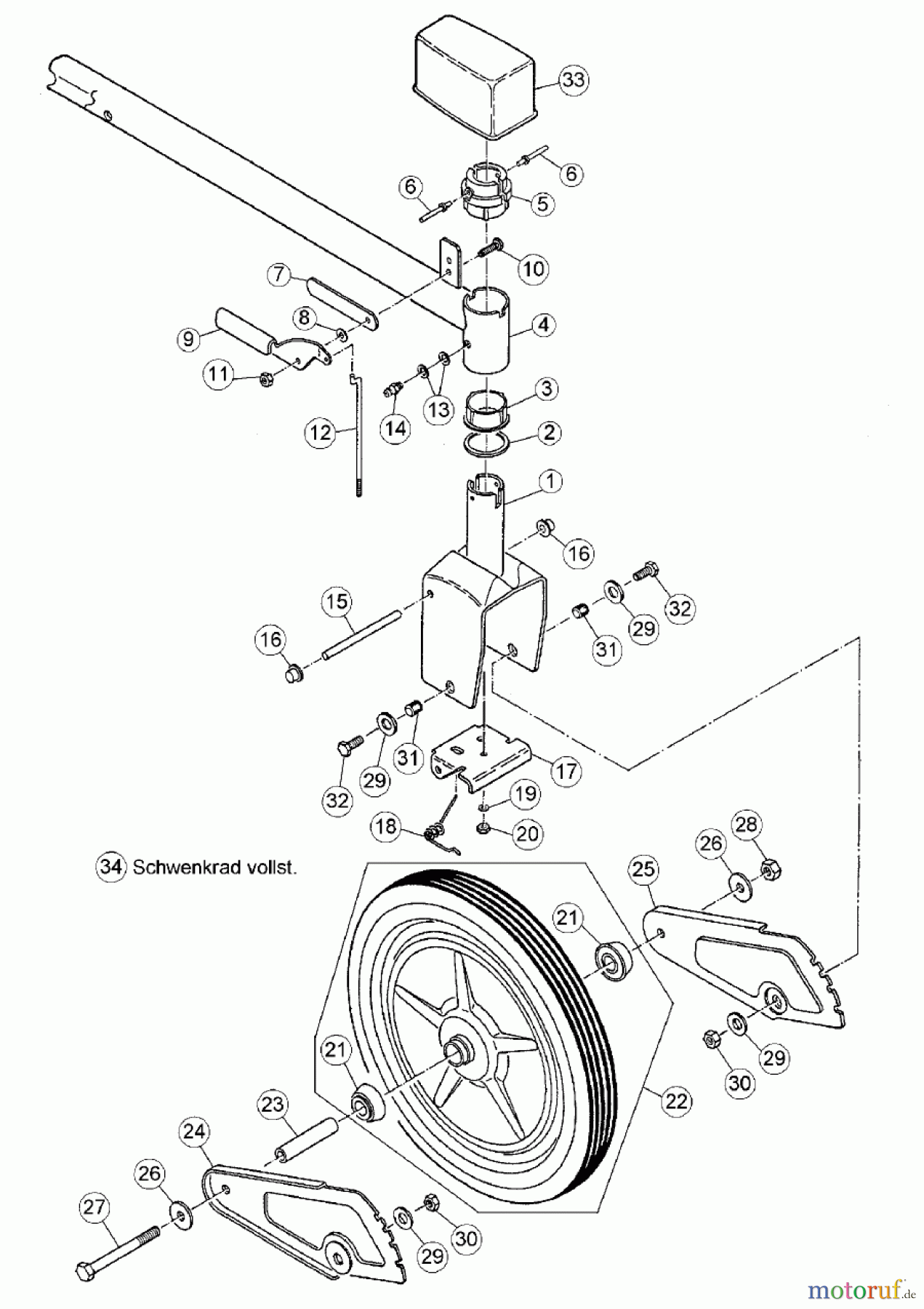
AS-Motor (neu) Allmäher AS 28 AS 28/4 ab FNr. 013512040001 Vorderrad Ersatzteile
Vorderrad ab FNr. 013512040001

Hier finden Sie die Ersatzteilzeichnung für AS-Motor (neu) Hochgras Allmäher AS 28 AS 28/4 ab FNr. 013512040001 Vorderrad. Wählen Sie das benötigte Ersatzteil aus der Ersatzteilliste Ihres AS-Motor (neu) Gerätes aus und bestellen Sie einfach online. Viele AS-Motor (neu) Ersatzteile halten wir ständig in unserem Lager für Sie bereit.


Qualitätsmanagement
Informieren Sie uns, wenn Sie einen Fehler gefunden haben.


















