AS-Motor (neu) Profi-Rasenmäher AS 53 Standard AS 53 B3 ab FNr. 0062111001 Rumpfmotor Ersatzteile
Rumpfmotor ab FNr. 0062111001

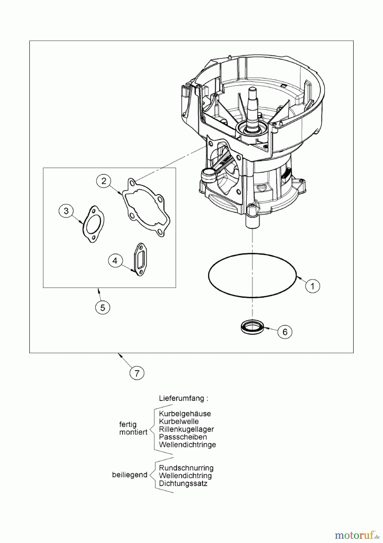
Hier finden Sie die Ersatzteilzeichnung für AS-Motor (neu) Rasen Profi-Rasenmäher AS 53 Standard AS 53 B3 ab FNr. 0062111001 Rumpfmotor. Wählen Sie das benötigte Ersatzteil aus der Ersatzteilliste Ihres AS-Motor (neu) Gerätes aus und bestellen Sie einfach online. Viele AS-Motor (neu) Ersatzteile halten wir ständig in unserem Lager für Sie bereit.
| BildNr | Artikel Nummer | Bezeichnung | |
| 1 | ![]() | G00006050 | Rundschnurring |
| 2 | ![]() | G00103009 | Zylinderfussdichtung |
| 3 | ![]() | G00109003 | Auspuffdichtung |
| 4 | ![]() | G00105038 | Isolierplatte |
| 5 | ![]() | G00180003 | Dichtungssatz 6 PS Motor |
| 6 | ![]() | G00037007 | Wellendichtring |
| 7 | G00180077 | Ersetzt durch E10848 | |


Qualitätsmanagement
Informieren Sie uns, wenn Sie einen Fehler gefunden haben.







