AS-Motor (neu) Profi-Rasenmäher AS 531 Heckauswurf AS 531/2T MK-Kat VarioPro ab FNr. 024412100001 Vergaser Kat-Motor Ersatzteile
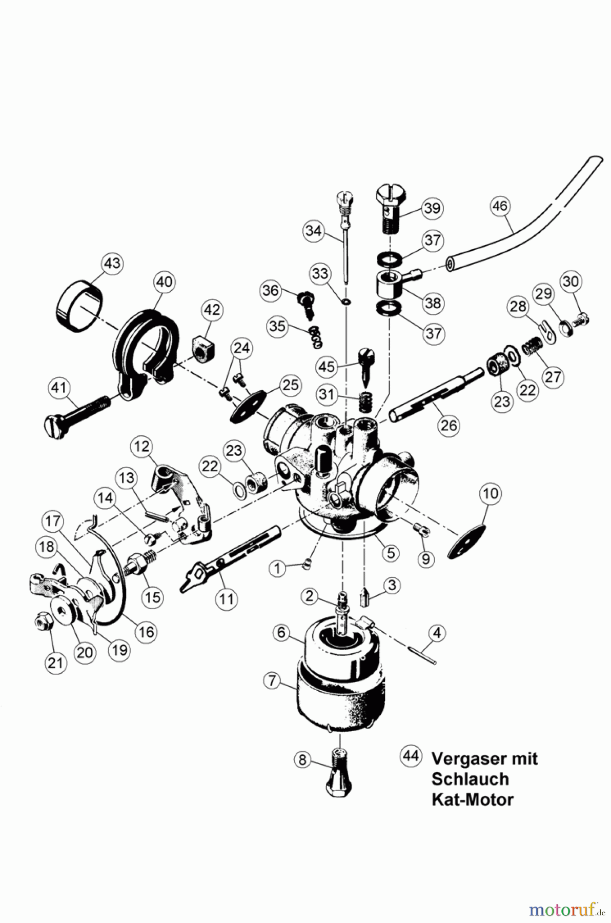
Vergaser Kat-Motor ab FNr. 024412100001

Hier finden Sie die Ersatzteilzeichnung für AS-Motor (neu) Rasen Profi-Rasenmäher AS 531 Heckauswurf AS 531/2T MK-Kat VarioPro ab FNr. 024412100001 Vergaser Kat-Motor. Wählen Sie das benötigte Ersatzteil aus der Ersatzteilliste Ihres AS-Motor (neu) Gerätes aus und bestellen Sie einfach online. Viele AS-Motor (neu) Ersatzteile halten wir ständig in unserem Lager für Sie bereit.


Qualitätsmanagement
Informieren Sie uns, wenn Sie einen Fehler gefunden haben.











