AS-Motor (neu) Profi-Rasenmäher AS 530 Heckauswurf AS 530/2T MK cat ab FNr. 020608050001 Motor mit Befestigung Ersatzteile
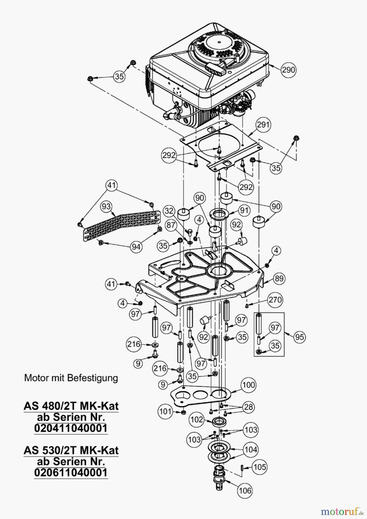
Motor mit Befestigung ab FNr. 020608050001

Hier finden Sie die Ersatzteilzeichnung für AS-Motor (neu) Rasen Profi-Rasenmäher AS 530 Heckauswurf AS 530/2T MK cat ab FNr. 020608050001 Motor mit Befestigung. Wählen Sie das benötigte Ersatzteil aus der Ersatzteilliste Ihres AS-Motor (neu) Gerätes aus und bestellen Sie einfach online. Viele AS-Motor (neu) Ersatzteile halten wir ständig in unserem Lager für Sie bereit.


Qualitätsmanagement
Informieren Sie uns, wenn Sie einen Fehler gefunden haben.









