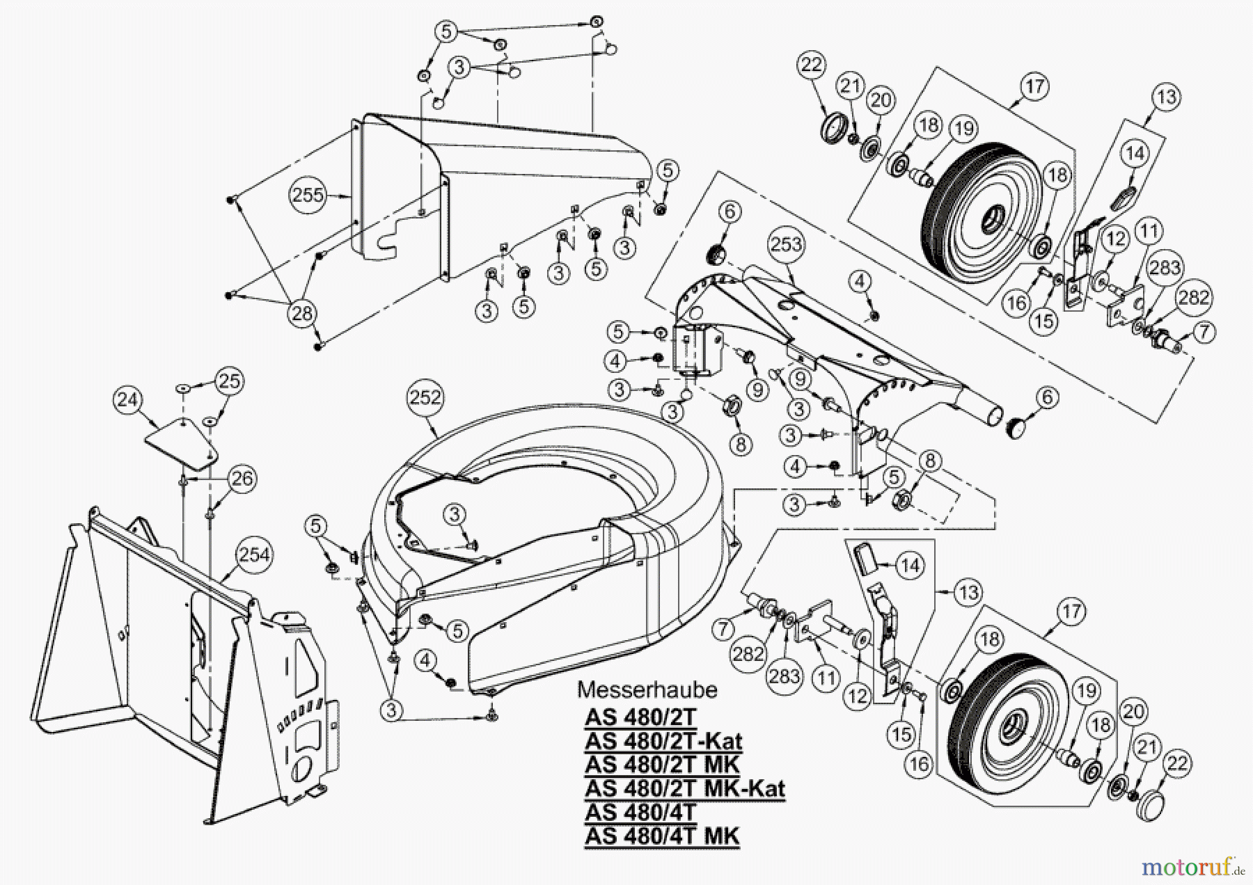
AS-Motor (neu) Profi-Rasenmäher AS 480 Heckauswurf AS 480/2T cat ab FNr. 020308050001 Messerhaube Ersatzteile
Messerhaube ab FNr. 020308050001

Hier finden Sie die Ersatzteilzeichnung für AS-Motor (neu) Rasen Profi-Rasenmäher AS 480 Heckauswurf AS 480/2T cat ab FNr. 020308050001 Messerhaube. Wählen Sie das benötigte Ersatzteil aus der Ersatzteilliste Ihres AS-Motor (neu) Gerätes aus und bestellen Sie einfach online. Viele AS-Motor (neu) Ersatzteile halten wir ständig in unserem Lager für Sie bereit.


Qualitätsmanagement
Informieren Sie uns, wenn Sie einen Fehler gefunden haben.





