AS-Motor (neu) Profi-Rasenmäher AS 480 Heckauswurf AS 480/4T MK ab FNr. 019207202001 Motor mit Befestigung Ersatzteile
Motor mit Befestigung ab FNr. 019207202001

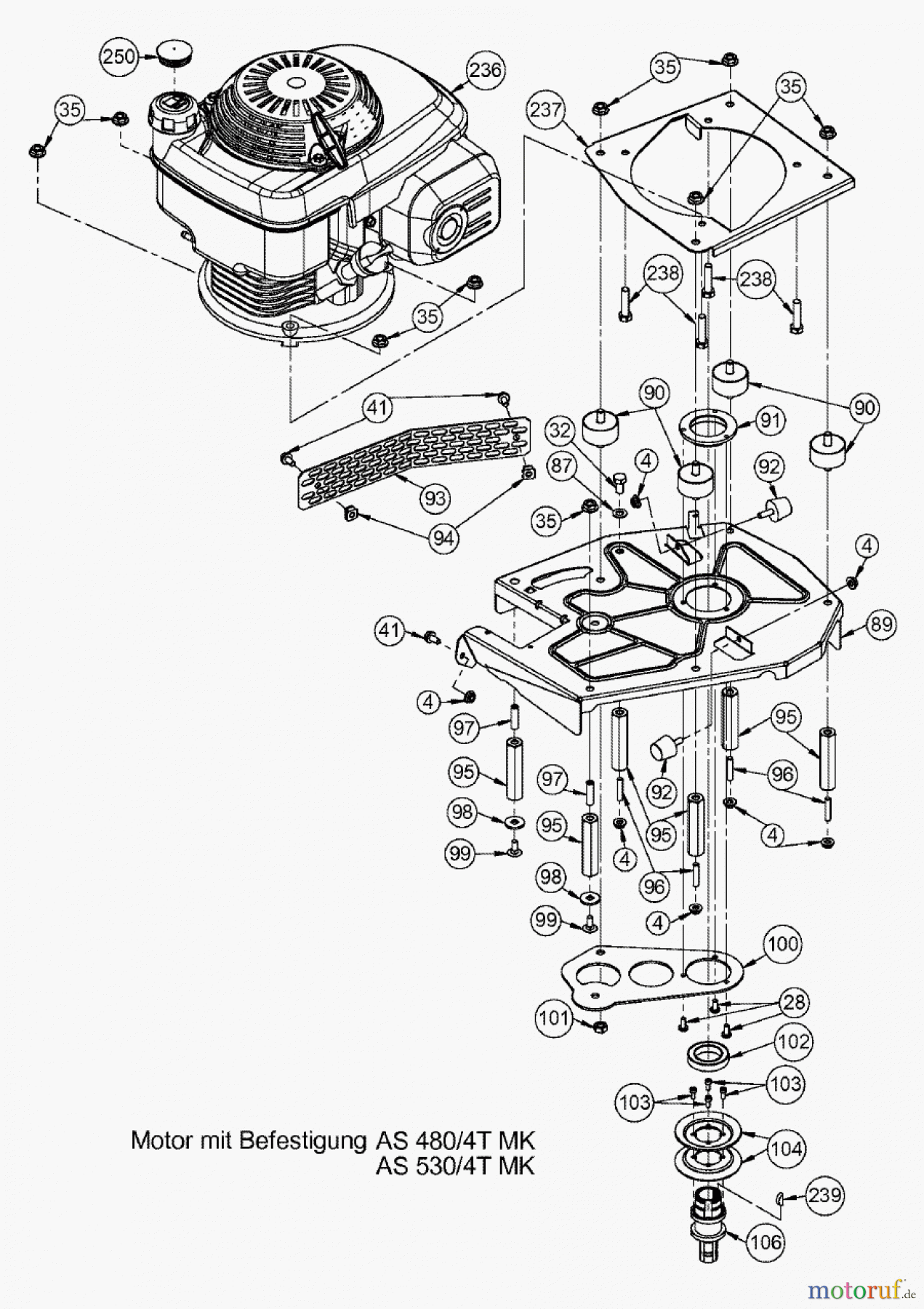
Hier finden Sie die Ersatzteilzeichnung für AS-Motor (neu) Rasen Profi-Rasenmäher AS 480 Heckauswurf AS 480/4T MK ab FNr. 019207202001 Motor mit Befestigung. Wählen Sie das benötigte Ersatzteil aus der Ersatzteilliste Ihres AS-Motor (neu) Gerätes aus und bestellen Sie einfach online. Viele AS-Motor (neu) Ersatzteile halten wir ständig in unserem Lager für Sie bereit.


Qualitätsmanagement
Informieren Sie uns, wenn Sie einen Fehler gefunden haben.








