Güde Inverter Stromerzeuger ISG 1200 ECO Art.Nr.: 40657 FSL40657-04 Ersatzteile
FSL40657-04 Inverter Stromerzeuger ISG 1200 ECO Art.Nr.: 40657
Gültig für folgende Seriennummern (ersten 5 Ziffern der Geräteseriennummer)
79135 80088 80217 80529

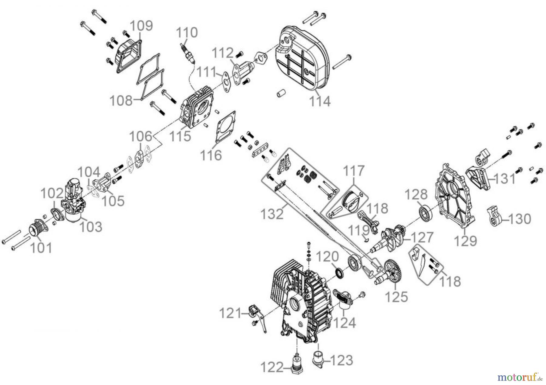
Hier finden Sie die Ersatzteilzeichnung für Güde Stromerzeuger Inverter-Stromerzeuger Inverter Stromerzeuger ISG 1200 ECO Art.Nr.: 40657 FSL40657-04 Seite 2. Wählen Sie das benötigte Ersatzteil aus der Ersatzteilliste Ihres Güde Gerätes aus und bestellen Sie einfach online. Viele Güde Ersatzteile halten wir ständig in unserem Lager für Sie bereit.


Qualitätsmanagement
Informieren Sie uns, wenn Sie einen Fehler gefunden haben.

