Güde Benzin-Schneefräse SCHNEEFRÄSE GSF 9,7 PS Art.Nr.: 94577 FSL94577-01 Ersatzteile
FSL94577-01 SCHNEEFRÄSE GSF 9,7 PS Art.Nr.: 94577
Gültig für folgende Seriennummern (ersten 5 Ziffern der Geräteseriennummer)
60394

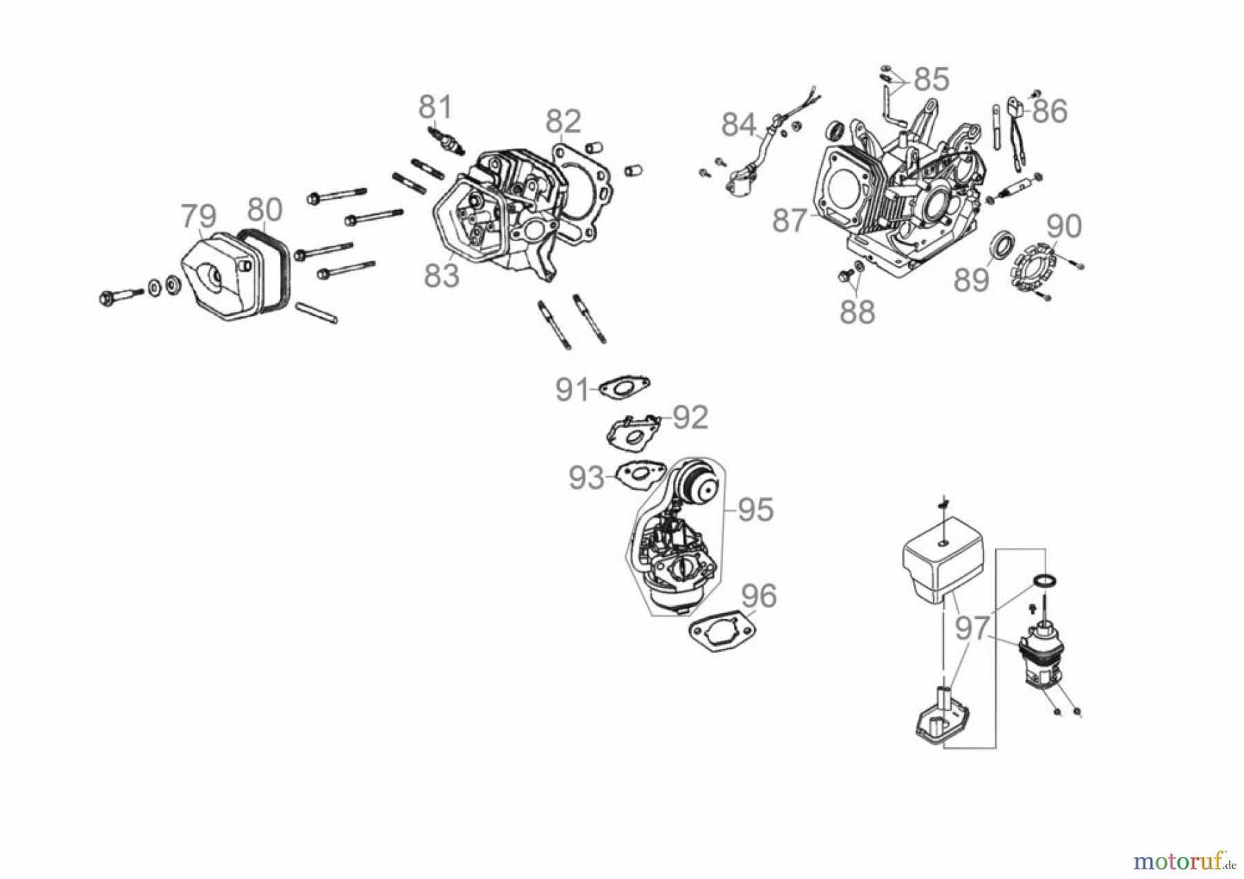
Hier finden Sie die Ersatzteilzeichnung für Güde Reinigungsgeräte Schneefräsen Benzin-Schneefräse SCHNEEFRÄSE GSF 9,7 PS Art.Nr.: 94577 FSL94577-01 Seite 4. Wählen Sie das benötigte Ersatzteil aus der Ersatzteilliste Ihres Güde Gerätes aus und bestellen Sie einfach online. Viele Güde Ersatzteile halten wir ständig in unserem Lager für Sie bereit.


Qualitätsmanagement
Informieren Sie uns, wenn Sie einen Fehler gefunden haben.


