AS-Motor (neu) Profi-Rasenmäher AS 55 Heckauswurf AS 55 B1 ab FNr. 0130833001 Holm Ersatzteile
Holm ab FNr. 0130833001

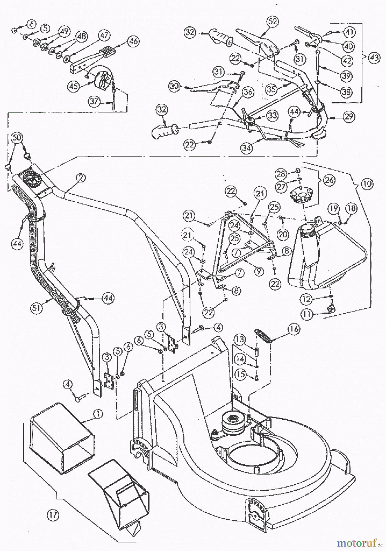
Hier finden Sie die Ersatzteilzeichnung für AS-Motor (neu) Rasen Profi-Rasenmäher AS 55 Heckauswurf AS 55 B1 ab FNr. 0130833001 Holm. Wählen Sie das benötigte Ersatzteil aus der Ersatzteilliste Ihres AS-Motor (neu) Gerätes aus und bestellen Sie einfach online. Viele AS-Motor (neu) Ersatzteile halten wir ständig in unserem Lager für Sie bereit.





















