AS-Motor (neu) Profi-Rasenmäher AS 43 und 47 casa Heckauswurfmäher AS 43 BS Casa ab FNr. 018806404001 Motor und Messer AS 43 BS casa Ersatzteile
Motor und Messer AS 43 BS casa ab FNr. 018806404001

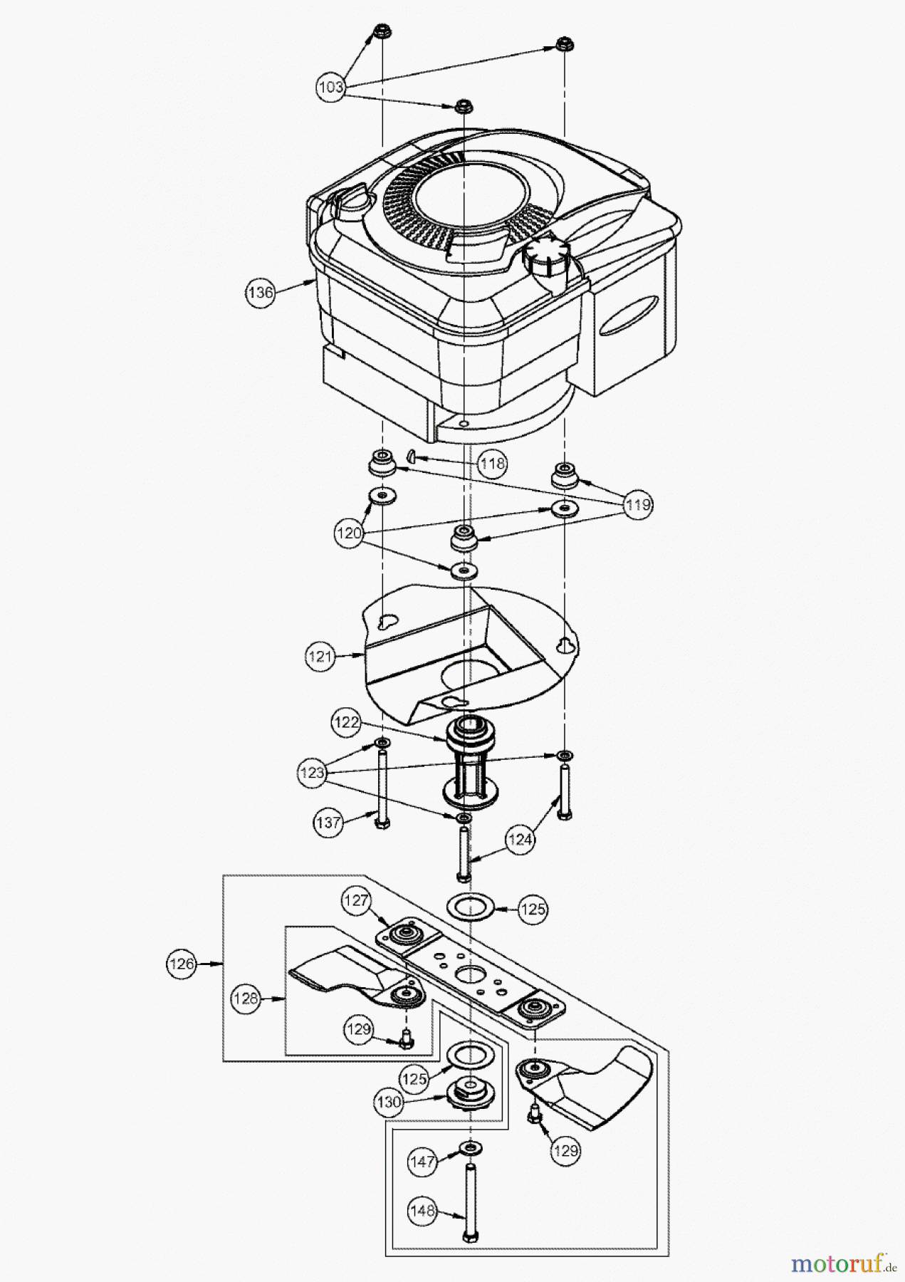
Hier finden Sie die Ersatzteilzeichnung für AS-Motor (neu) Rasen Profi-Rasenmäher AS 43 und 47 casa Heckauswurfmäher AS 43 BS Casa ab FNr. 018806404001 Motor und Messer AS 43 BS casa. Wählen Sie das benötigte Ersatzteil aus der Ersatzteilliste Ihres AS-Motor (neu) Gerätes aus und bestellen Sie einfach online. Viele AS-Motor (neu) Ersatzteile halten wir ständig in unserem Lager für Sie bereit.
| BildNr | Artikel Nummer | Bezeichnung | |
| 103 | ![]() | G00007042 | Sperrzahnmutter |
| 118 | G07866007 | Scheibenfeder | |
| 119 | G00024044 | Hülse mit Bund | |
| 120 | G07810004 | Scheibe | |
| 121 | G04726002 | Keilriemenabdeckung unten | |
| 122 | G04723003 | Teil nicht mehr lieferbar. | |
| 123 | ![]() | G07809004 | Scheibe |
| 124 | G07837005 | 6kt- Schraube | |
| 125 | G00019061 | Kupplungbelag | |
| 126 | G04780302 | Messer | |
| 127 | G04780003 | Messer | |
| 128 | G04780301 | 2 Messerklingen | |
| 129 | G00009140 | 6kt- Schraube | |
| 130 | G04723002 | Kupplungsscheibe | |
| 136 | G00501018 | Motor B | |
| 137 | G07837049 | 6kt- Schraube | |
| 147 | G07928002 | Spannscheibe | |
| 148 | G00009150 | Zollschraube | |


Qualitätsmanagement
Informieren Sie uns, wenn Sie einen Fehler gefunden haben.



