FACOM AIR TOOLS NIETER Y.135F Ersatzteile
Y.135F NIETER

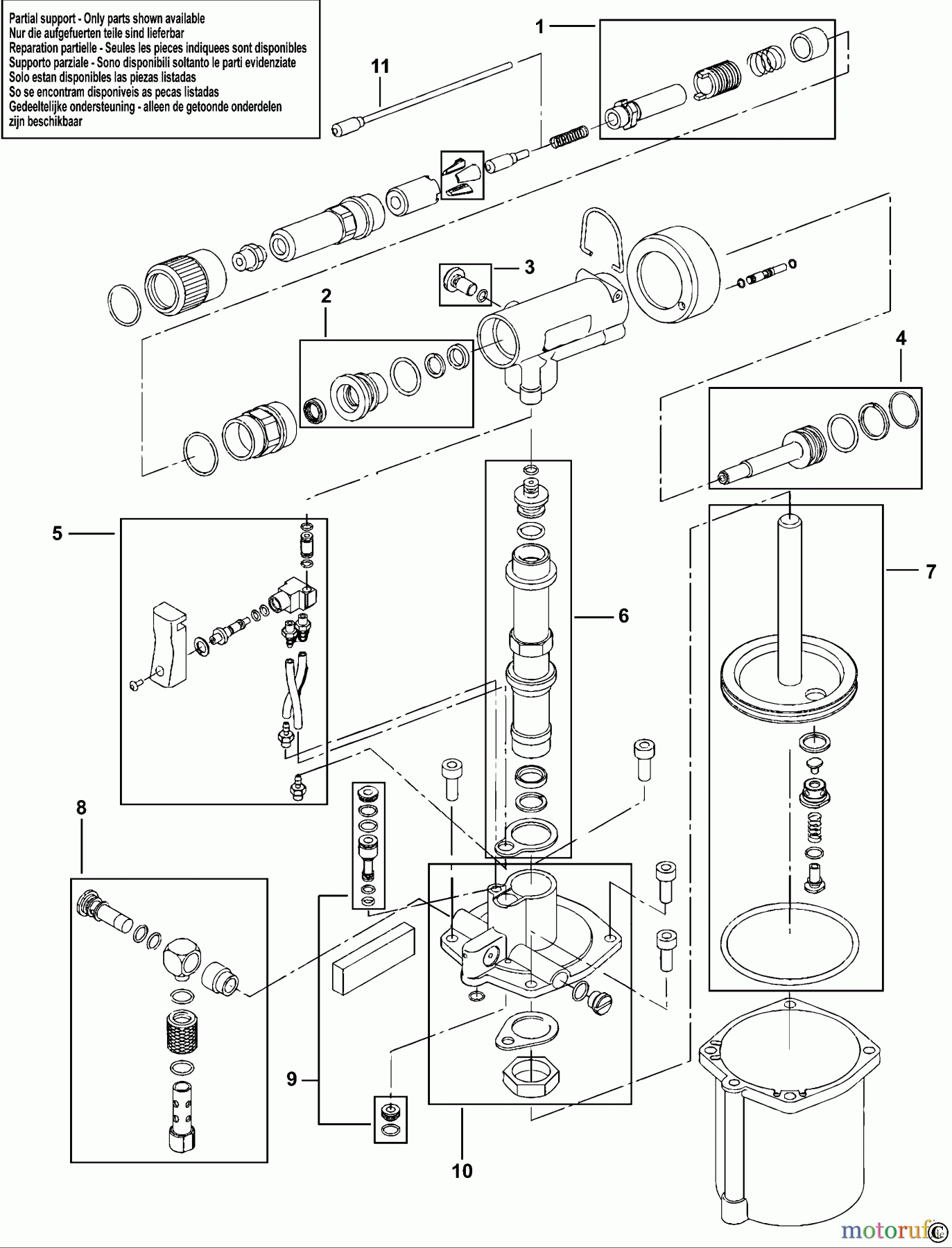
Hier finden Sie die Ersatzteilzeichnung für FACOM POWER TOOLS AIR TOOLS NIETER Y.135F Seite 1. Wählen Sie das benötigte Ersatzteil aus der Ersatzteilliste Ihres FACOM Gerätes aus und bestellen Sie einfach online. Viele FACOM Ersatzteile halten wir ständig in unserem Lager für Sie bereit.



