FACOM AIR TOOLS LUFTDR.-BOHRMASCHINE V.95 Ersatzteile
V.95 LUFTDR.-BOHRMASCHINE

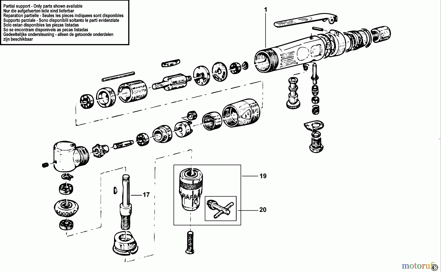
Hier finden Sie die Ersatzteilzeichnung für FACOM POWER TOOLS AIR TOOLS LUFTDR.-BOHRMASCHINE V.95 Seite 1. Wählen Sie das benötigte Ersatzteil aus der Ersatzteilliste Ihres FACOM Gerätes aus und bestellen Sie einfach online. Viele FACOM Ersatzteile halten wir ständig in unserem Lager für Sie bereit.
| BildNr | Artikel Nummer | Bezeichnung | |
| 1 | SB-000000-05 | PARTIAL SUPPORT - ONLY PARTS LISTED AVAI | |
| 17 | SB-V.95-173 | STIFT | |
| 19 | SB-V.100A1 | BOHRF.SCHLUESSEL | |
| 20 | SB-V.100A2 | BORHFUTTERSCHL. | |



