FACOM AIR TOOLS FUCHSSCHWANZSÄGE V.770F Ersatzteile
V.770F FUCHSSCHWANZSÄGE

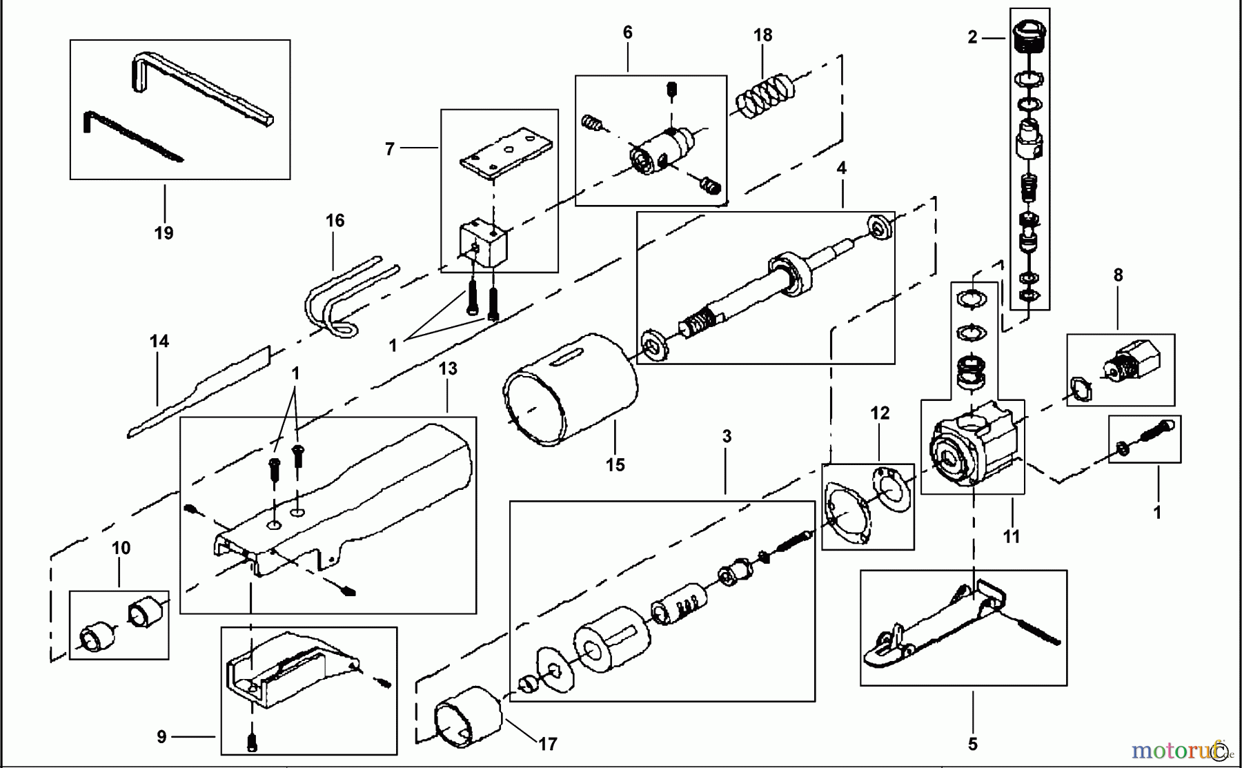
Hier finden Sie die Ersatzteilzeichnung für FACOM POWER TOOLS AIR TOOLS FUCHSSCHWANZSÄGE V.770F Seite 1. Wählen Sie das benötigte Ersatzteil aus der Ersatzteilliste Ihres FACOM Gerätes aus und bestellen Sie einfach online. Viele FACOM Ersatzteile halten wir ständig in unserem Lager für Sie bereit.


Qualitätsmanagement
Informieren Sie uns, wenn Sie einen Fehler gefunden haben.

