FACOM AIR TOOLS LUFTDR. SCHLEIFER V.262 Ersatzteile
V.262 LUFTDR. SCHLEIFER

Hier finden Sie die Ersatzteilzeichnung für FACOM POWER TOOLS AIR TOOLS LUFTDR. SCHLEIFER V.262 Seite 1. Wählen Sie das benötigte Ersatzteil aus der Ersatzteilliste Ihres FACOM Gerätes aus und bestellen Sie einfach online. Viele FACOM Ersatzteile halten wir ständig in unserem Lager für Sie bereit.
| BildNr | Artikel Nummer | Bezeichnung | |
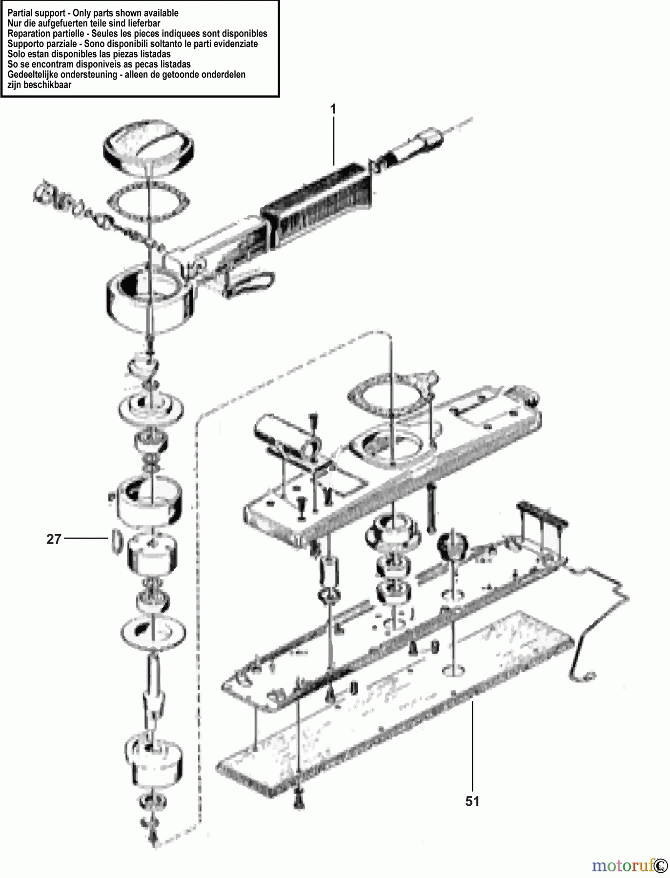
| 1 | SB-000000-05 | PARTIAL SUPPORT - ONLY PARTS LISTED AVAI | |
| 27 | SB-V.262SAV27 | ROTOR BLADE | |
| 51 | SB-V.262SAV51 | HALTEPLATTE KPL.LACKIERT | |


Qualitätsmanagement
Informieren Sie uns, wenn Sie einen Fehler gefunden haben.

