FACOM AIR TOOLS EXZENTERSCHLEIFER V.256F Ersatzteile
V.256F EXZENTERSCHLEIFER

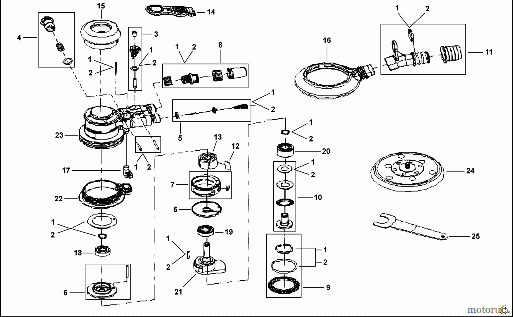
Hier finden Sie die Ersatzteilzeichnung für FACOM POWER TOOLS AIR TOOLS EXZENTERSCHLEIFER V.256F Seite 1. Wählen Sie das benötigte Ersatzteil aus der Ersatzteilliste Ihres FACOM Gerätes aus und bestellen Sie einfach online. Viele FACOM Ersatzteile halten wir ständig in unserem Lager für Sie bereit.


Qualitätsmanagement
 Informieren Sie uns, wenn Sie einen Fehler gefunden haben.

