BLACK+DECKER BOHRER T.V. 3/8 KYLS.DRIL TV310 Ersatzteile
TV310 T.V. 3/8 KYLS.DRIL

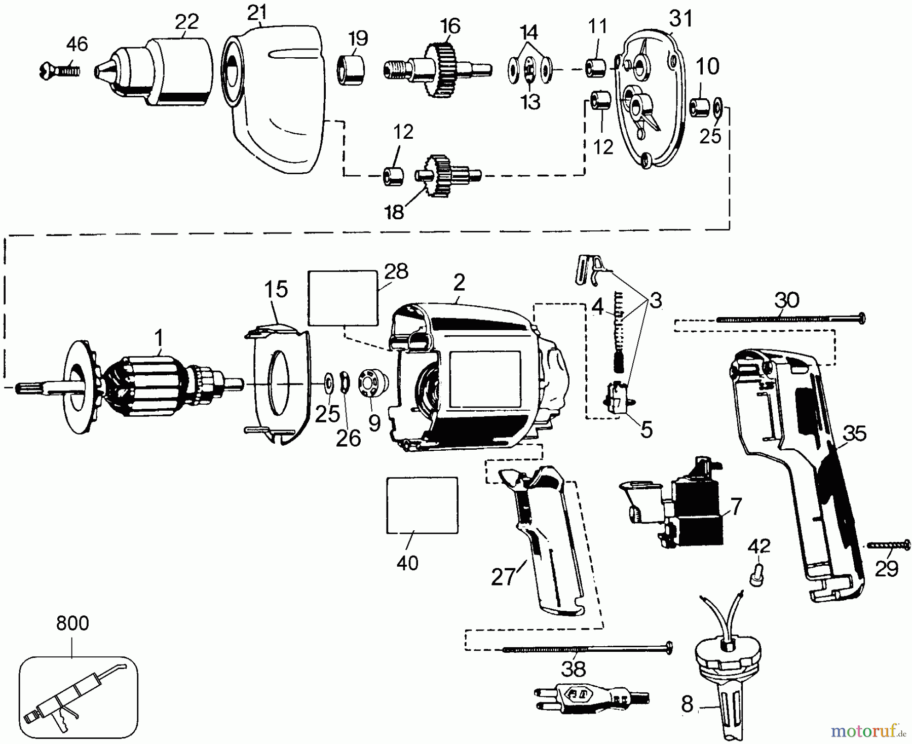
Hier finden Sie die Ersatzteilzeichnung für BLACK+DECKER INNENAUSSTATTUNG BOHRER T.V. 3/8 KYLS.DRIL TV310 Seite 1. Wählen Sie das benötigte Ersatzteil aus der Ersatzteilliste Ihres BLACK+DECKER Gerätes aus und bestellen Sie einfach online. Viele BLACK+DECKER Ersatzteile halten wir ständig in unserem Lager für Sie bereit.



