BLACK+DECKER 22 HEDGE TRIMMER TR450-04 Ersatzteile
TR450-04 22 HEDGE TRIMMER

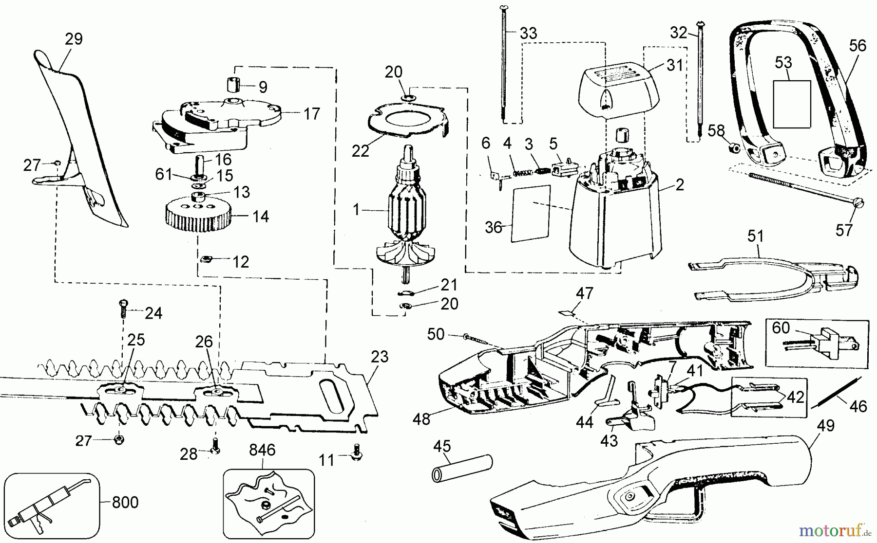
Hier finden Sie die Ersatzteilzeichnung für BLACK+DECKER Divers 22 HEDGE TRIMMER TR450-04 Seite 1. Wählen Sie das benötigte Ersatzteil aus der Ersatzteilliste Ihres BLACK+DECKER Gerätes aus und bestellen Sie einfach online. Viele BLACK+DECKER Ersatzteile halten wir ständig in unserem Lager für Sie bereit.



