BOSTITCH CARTON SEALERS T542302 Ersatzteile
T542302 CARTON SEALERS

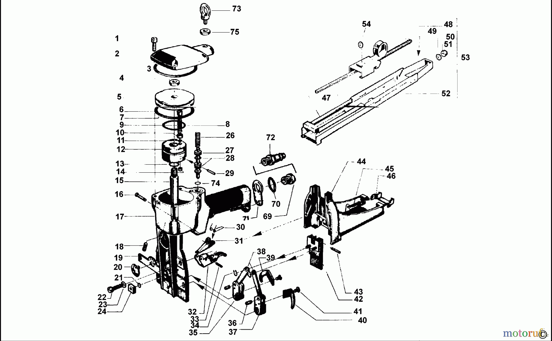
Hier finden Sie die Ersatzteilzeichnung für BOSTITCH CARTON SEALER CARTON SEALERS T542302 Seite 1. Wählen Sie das benötigte Ersatzteil aus der Ersatzteilliste Ihres BOSTITCH Gerätes aus und bestellen Sie einfach online. Viele BOSTITCH Ersatzteile halten wir ständig in unserem Lager für Sie bereit.


Qualitätsmanagement
 Informieren Sie uns, wenn Sie einen Fehler gefunden haben.

