BOSTITCH CARTON SEALERS T541302 Ersatzteile
T541302 CARTON SEALERS

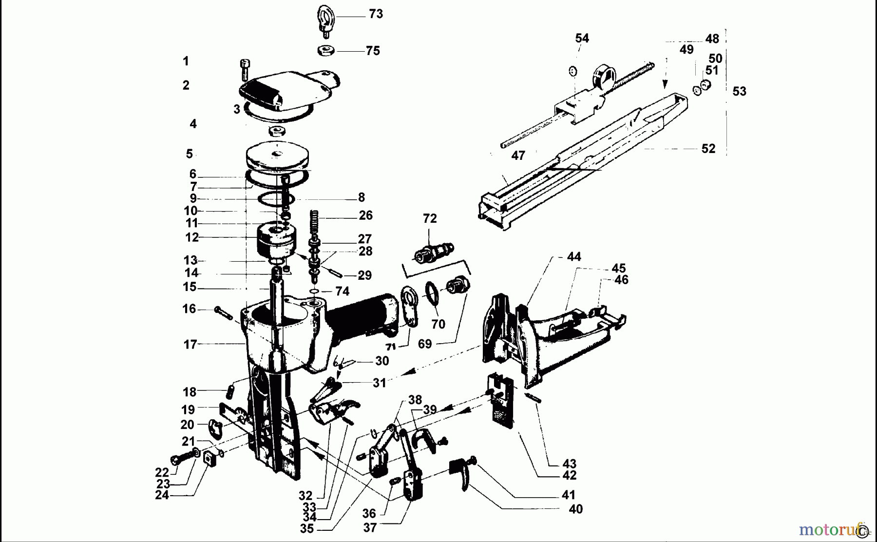
Hier finden Sie die Ersatzteilzeichnung für BOSTITCH CARTON SEALER CARTON SEALERS T541302 Seite 1. Wählen Sie das benötigte Ersatzteil aus der Ersatzteilliste Ihres BOSTITCH Gerätes aus und bestellen Sie einfach online. Viele BOSTITCH Ersatzteile halten wir ständig in unserem Lager für Sie bereit.



