BLACK+DECKER SCHERE SZ360S Ersatzteile
SZ360S SCHERE

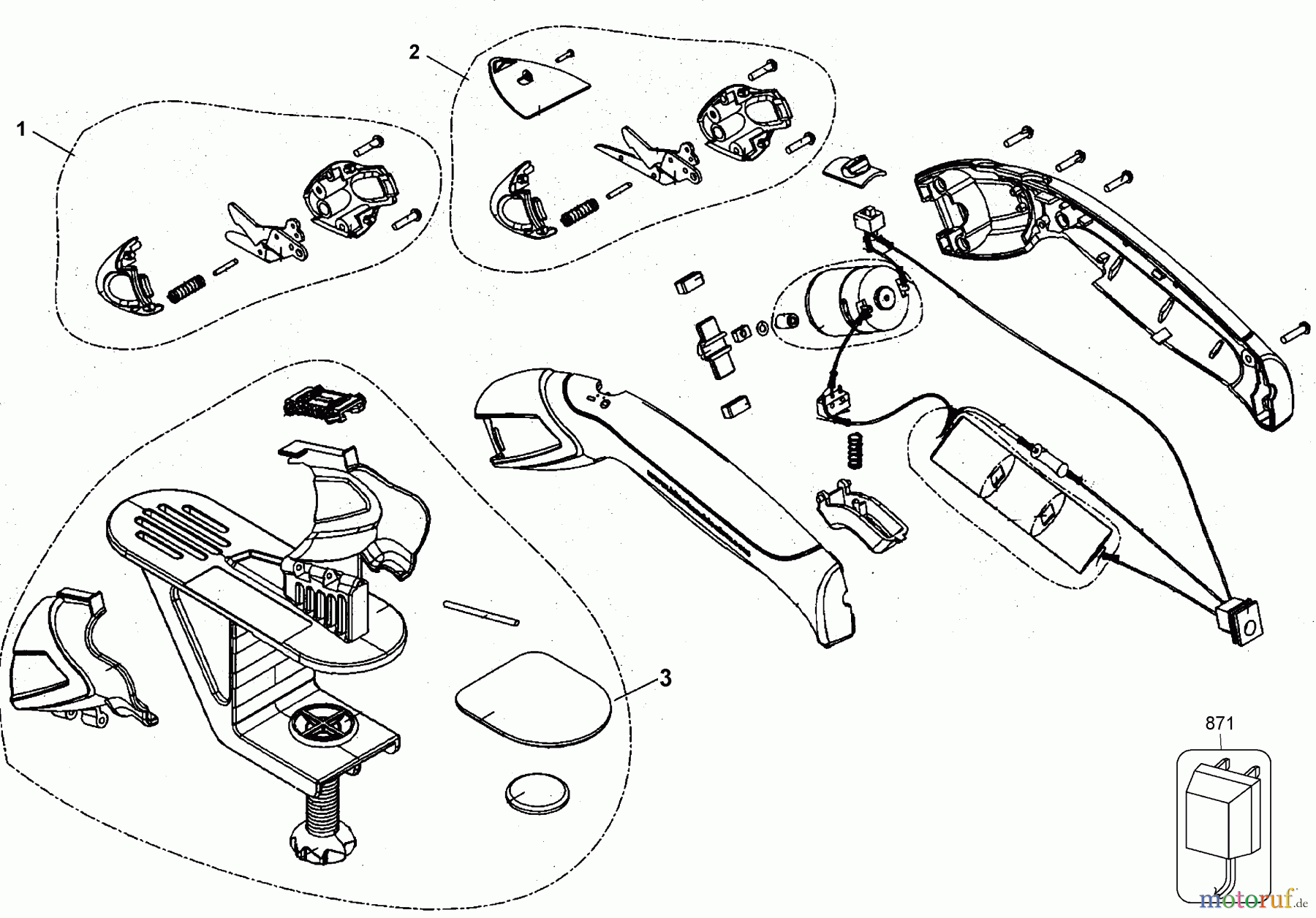
Hier finden Sie die Ersatzteilzeichnung für BLACK+DECKER Divers SCHERE SZ360S Seite 1. Wählen Sie das benötigte Ersatzteil aus der Ersatzteilliste Ihres BLACK+DECKER Gerätes aus und bestellen Sie einfach online. Viele BLACK+DECKER Ersatzteile halten wir ständig in unserem Lager für Sie bereit.
| BildNr | Artikel Nummer | Bezeichnung | |
| 1 | SB-5140027-48 | MESSER ZSB | |
| 2 | SB-5140027-49 | MESSER ZSB | |
| 3 | SB-5140027-50 | ANBAUHALTERUNG | |
| 871 | SB-5140031-50 | LADEGERAET ZSB | |



