BOSTITCH HEFTER SX150-1 Ersatzteile
SX150-1 HEFTER

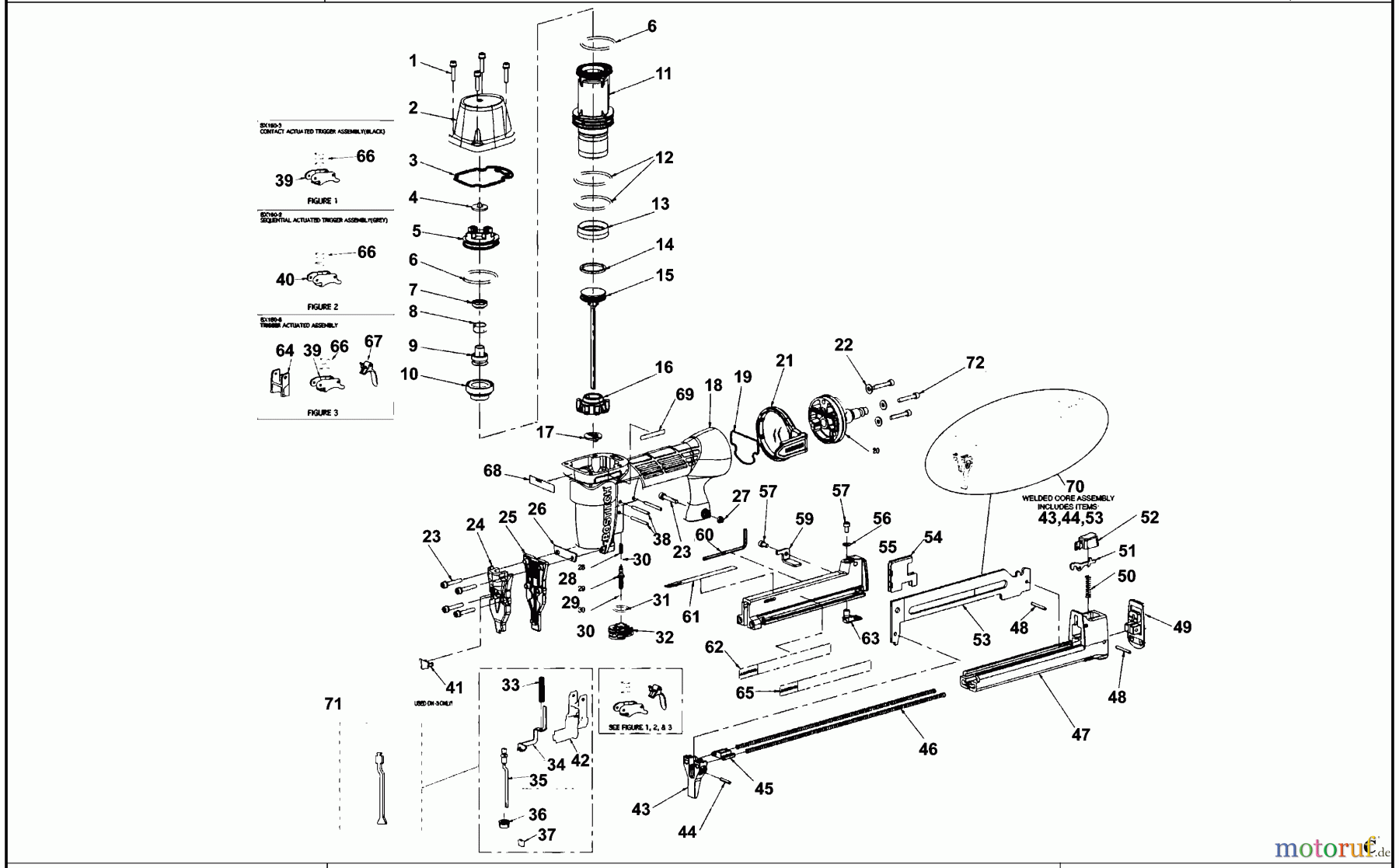
Hier finden Sie die Ersatzteilzeichnung für BOSTITCH STAPLER HEFTER SX150-1 Seite 1. Wählen Sie das benötigte Ersatzteil aus der Ersatzteilliste Ihres BOSTITCH Gerätes aus und bestellen Sie einfach online. Viele BOSTITCH Ersatzteile halten wir ständig in unserem Lager für Sie bereit.


Qualitätsmanagement
Informieren Sie uns, wenn Sie einen Fehler gefunden haben.

