Einstellungen Computer

STANLEY KREISSGE STSC1718B Ersatzteile

STSC1718B KREISSGE

 STANLEY Divers KREISSGE STSC1718B Seite 1

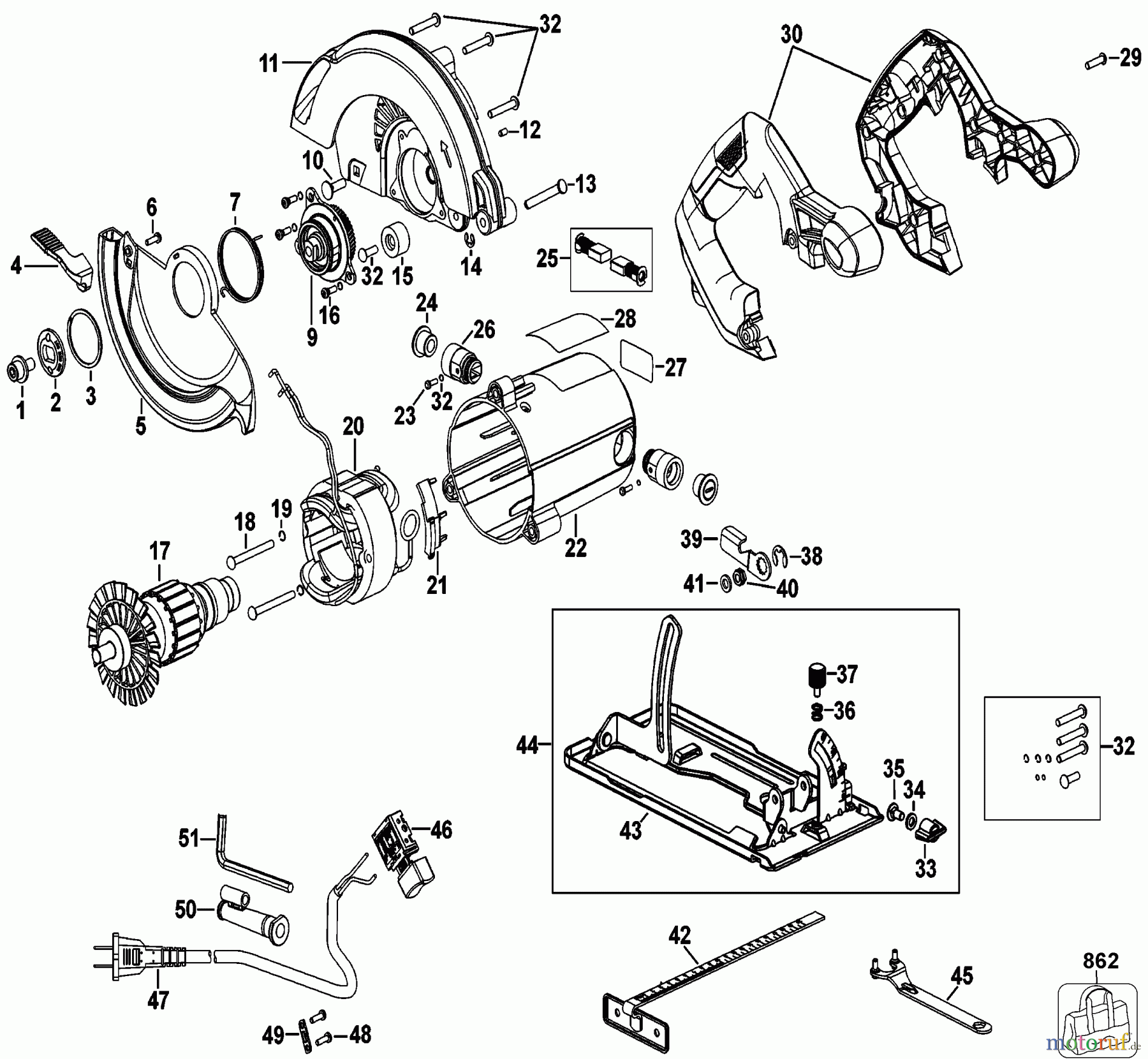
Hier finden Sie die Ersatzteilzeichnung für STANLEY Divers KREISSGE STSC1718B Seite 1. Wählen Sie das benötigte Ersatzteil aus der Ersatzteilliste Ihres STANLEY Gerätes aus und bestellen Sie einfach online. Viele STANLEY Ersatzteile halten wir ständig in unserem Lager für Sie bereit.

Rasen
Bankeinzug, MasterCard, Visa, American Express, PayPal, Nachnahme, Vorauskasse, Sofortüberweisung
Datenschutzerklärung Impressum
Qualitätsmanagement
Informieren Sie uns, wenn Sie einen Fehler gefunden haben.