STANLEY ROTARY HAMMERS SDS-PLUS DREHHAMMER STHR223 Ersatzteile
STHR223 DREHHAMMER

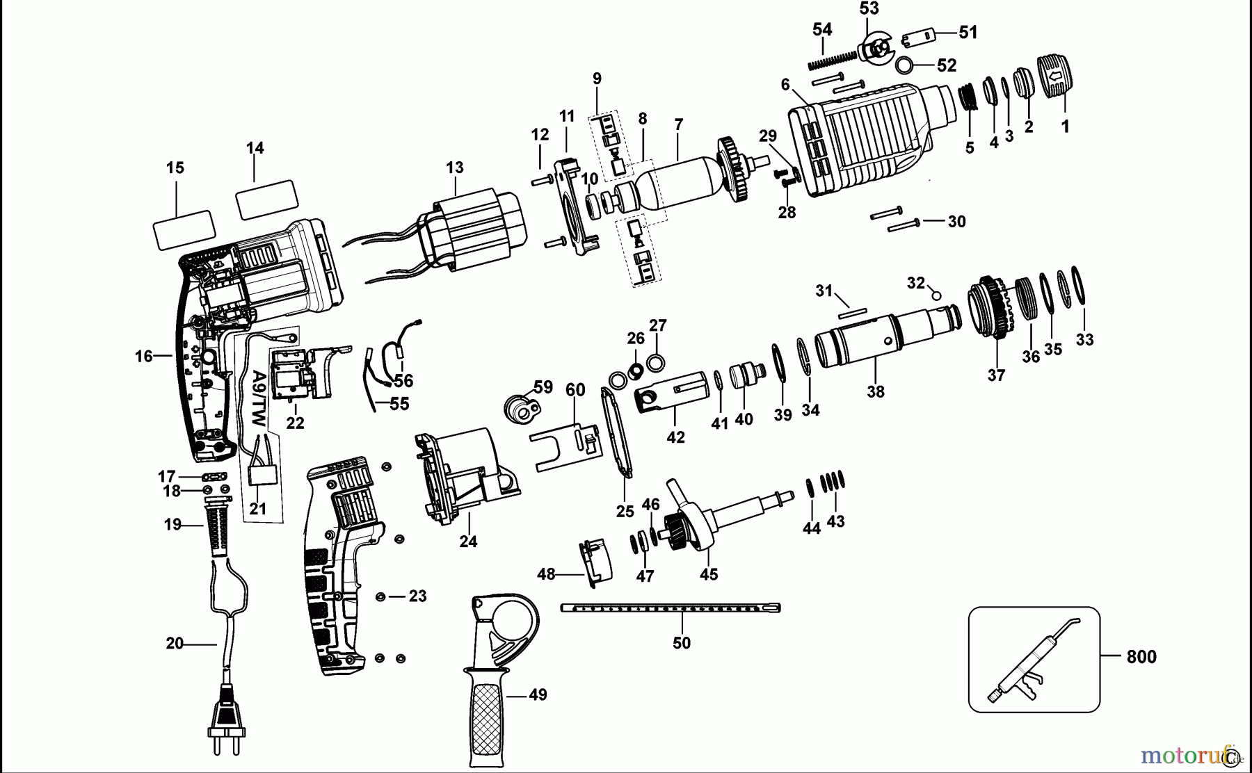
Hier finden Sie die Ersatzteilzeichnung für STANLEY HAMMERS ROTARY HAMMERS SDS-PLUS DREHHAMMER STHR223 Seite 1. Wählen Sie das benötigte Ersatzteil aus der Ersatzteilliste Ihres STANLEY Gerätes aus und bestellen Sie einfach online. Viele STANLEY Ersatzteile halten wir ständig in unserem Lager für Sie bereit.


Qualitätsmanagement
Informieren Sie uns, wenn Sie einen Fehler gefunden haben.

