STANLEY ROTARY HAMMERS SDS-PLUS BOHRHAMMER STDH7213K Ersatzteile
STDH7213K BOHRHAMMER

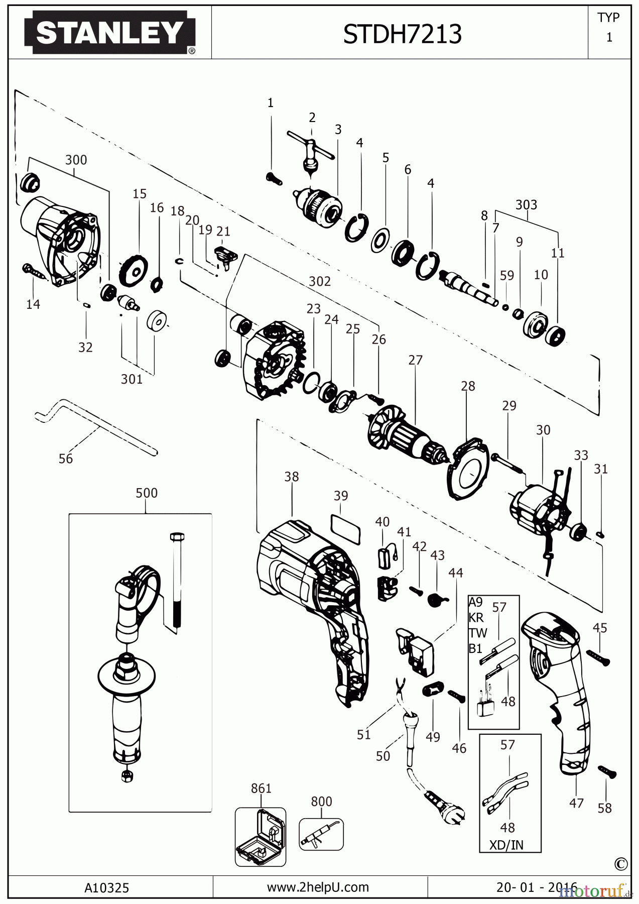
Hier finden Sie die Ersatzteilzeichnung für STANLEY HAMMERS ROTARY HAMMERS SDS-PLUS BOHRHAMMER STDH7213K Seite 2. Wählen Sie das benötigte Ersatzteil aus der Ersatzteilliste Ihres STANLEY Gerätes aus und bestellen Sie einfach online. Viele STANLEY Ersatzteile halten wir ständig in unserem Lager für Sie bereit.


Qualitätsmanagement
Informieren Sie uns, wenn Sie einen Fehler gefunden haben.

