BLACK+DECKER RASENMÄHER, SCHNEEFRÄSEN SCHNEEWERFER SNC3650L252 Ersatzteile
SNC3650L252 SCHNEEWERFER

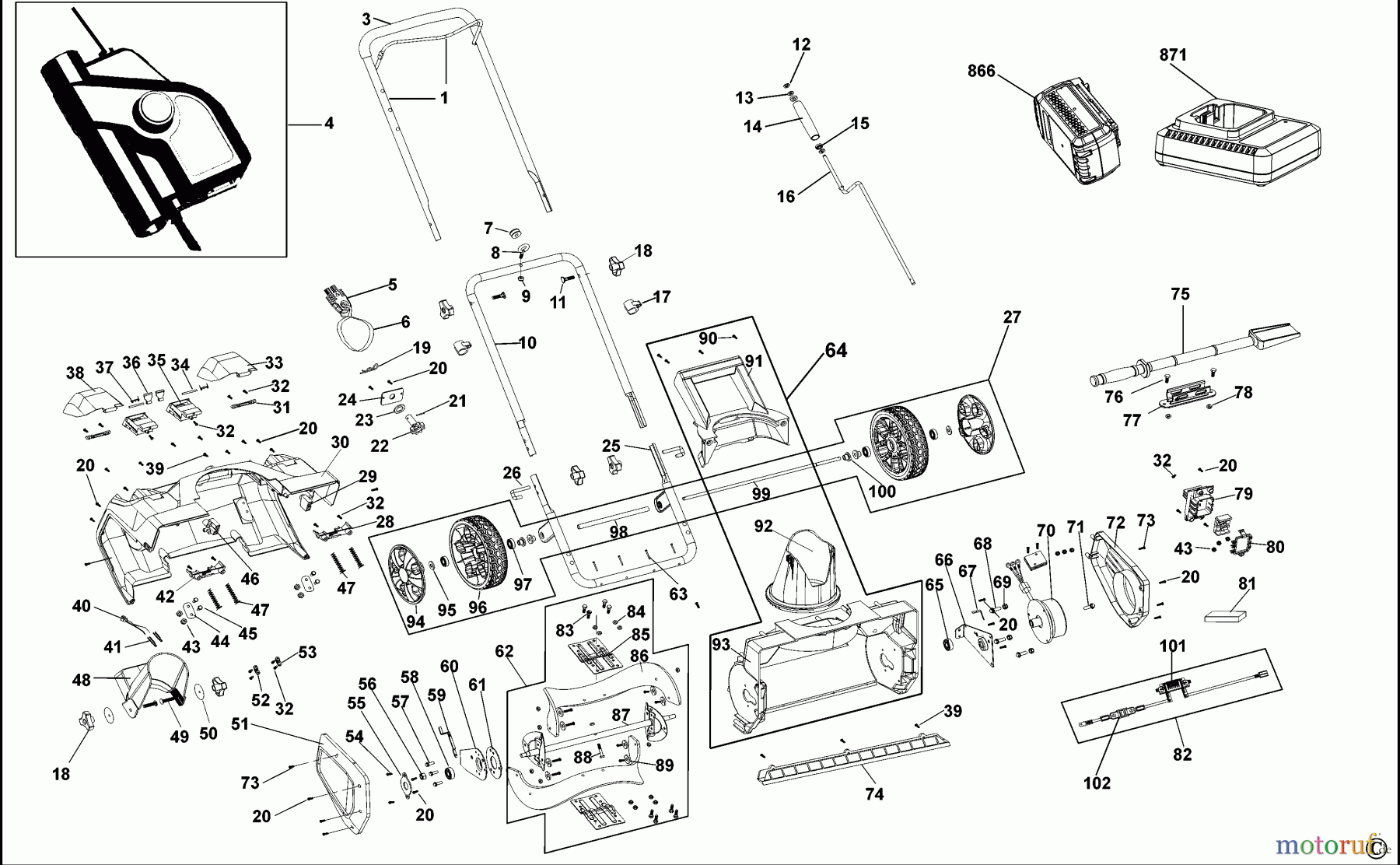
Hier finden Sie die Ersatzteilzeichnung für BLACK+DECKER AUSSERHALB RASENMÄHER, SCHNEEFRÄSEN SCHNEEWERFER SNC3650L252 Seite 1. Wählen Sie das benötigte Ersatzteil aus der Ersatzteilliste Ihres BLACK+DECKER Gerätes aus und bestellen Sie einfach online. Viele BLACK+DECKER Ersatzteile halten wir ständig in unserem Lager für Sie bereit.



