BOSTITCH ZANGE SC4LW Ersatzteile
SC4LW ZANGE

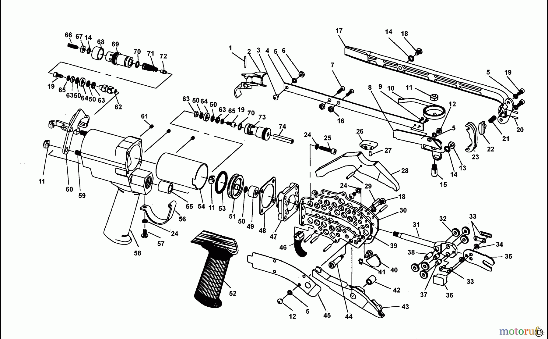
Hier finden Sie die Ersatzteilzeichnung für BOSTITCH RINGER ZANGE SC4LW Seite 1. Wählen Sie das benötigte Ersatzteil aus der Ersatzteilliste Ihres BOSTITCH Gerätes aus und bestellen Sie einfach online. Viele BOSTITCH Ersatzteile halten wir ständig in unserem Lager für Sie bereit.



