BOSTITCH ZANGE SC460 Ersatzteile
SC460 ZANGE

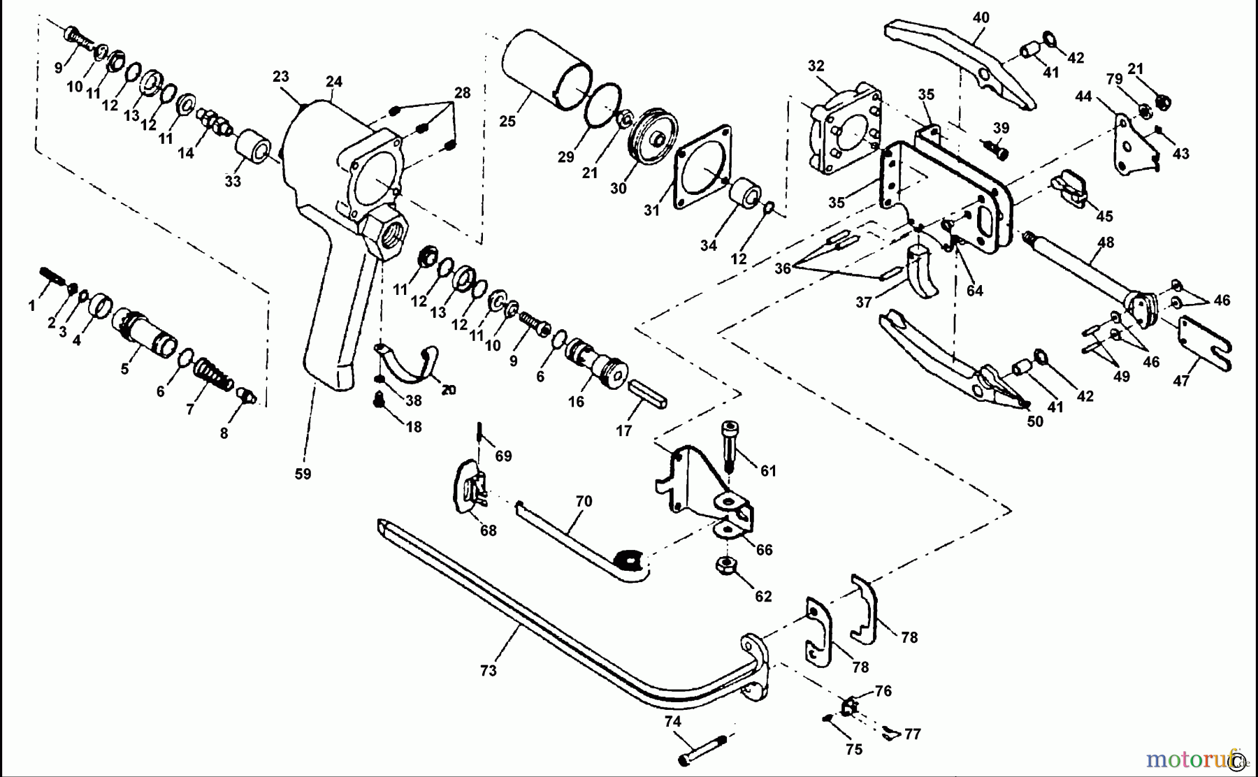
Hier finden Sie die Ersatzteilzeichnung für BOSTITCH RINGER ZANGE SC460 Seite 1. Wählen Sie das benötigte Ersatzteil aus der Ersatzteilliste Ihres BOSTITCH Gerätes aus und bestellen Sie einfach online. Viele BOSTITCH Ersatzteile halten wir ständig in unserem Lager für Sie bereit.



