STANLEY CDLS DRILLS 12V 18V SDS+ ROTARY DRILL 1BA SBR20D1K Ersatzteile
SBR20D1K 18V SDS+ ROTARY DRILL 1BA

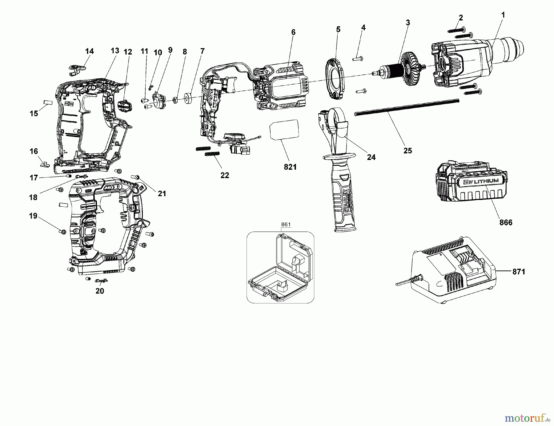
Hier finden Sie die Ersatzteilzeichnung für STANLEY CORDLESS DRILLS CDLS DRILLS 12V 18V SDS+ ROTARY DRILL 1BA SBR20D1K Seite 1. Wählen Sie das benötigte Ersatzteil aus der Ersatzteilliste Ihres STANLEY Gerätes aus und bestellen Sie einfach online. Viele STANLEY Ersatzteile halten wir ständig in unserem Lager für Sie bereit.


Qualitätsmanagement
Informieren Sie uns, wenn Sie einen Fehler gefunden haben.

