BOSTITCH 63 MM STIFT NAGLER SB-1664FN Ersatzteile
SB-1664FN 63 MM STIFT NAGLER

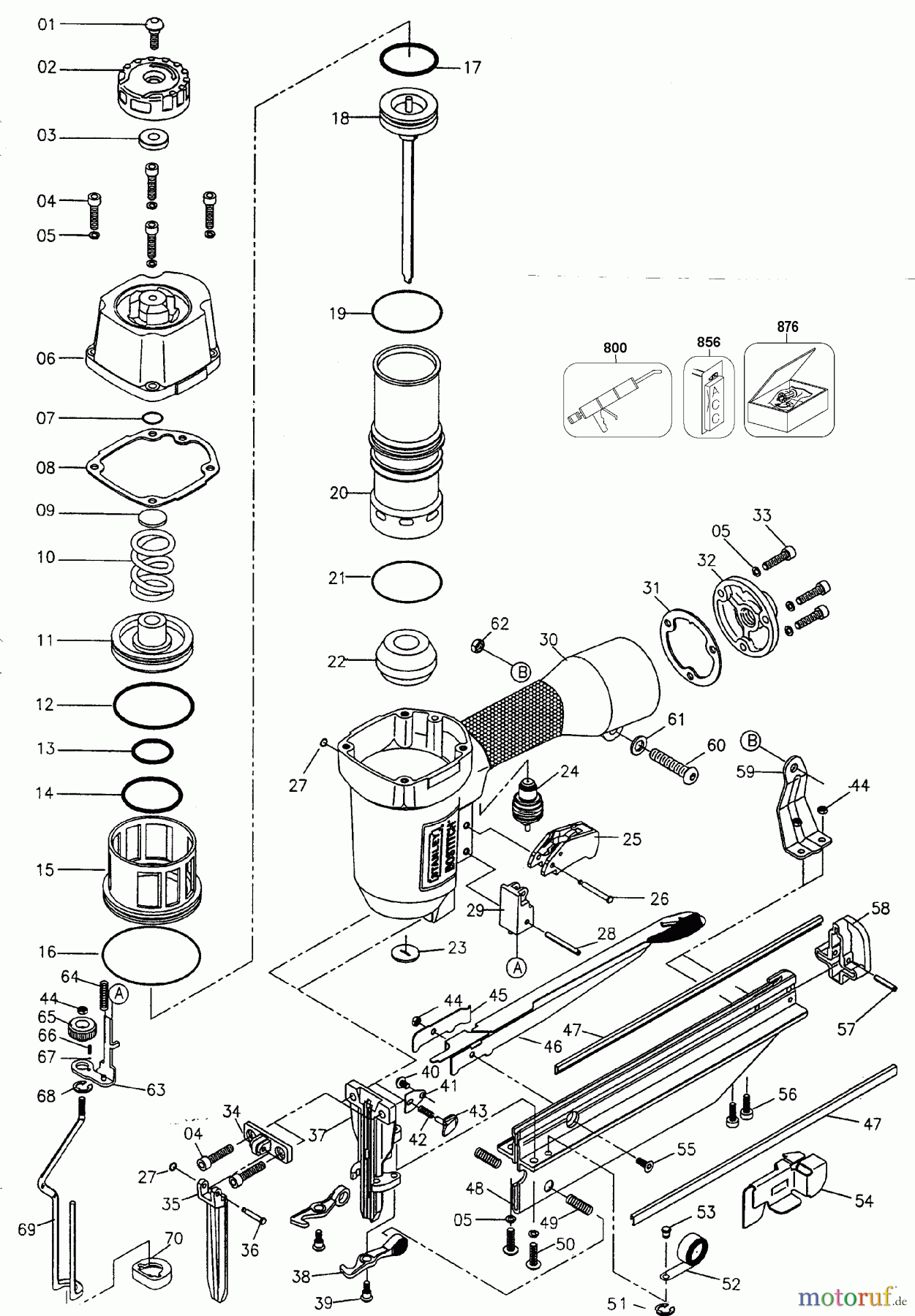
Hier finden Sie die Ersatzteilzeichnung für BOSTITCH NAILERS 63 MM STIFT NAGLER SB-1664FN Seite 1. Wählen Sie das benötigte Ersatzteil aus der Ersatzteilliste Ihres BOSTITCH Gerätes aus und bestellen Sie einfach online. Viele BOSTITCH Ersatzteile halten wir ständig in unserem Lager für Sie bereit.


Qualitätsmanagement
Informieren Sie uns, wenn Sie einen Fehler gefunden haben.

