ELU DRILLS BOHRHAMMER SB15E Ersatzteile
SB15E BOHRHAMMER

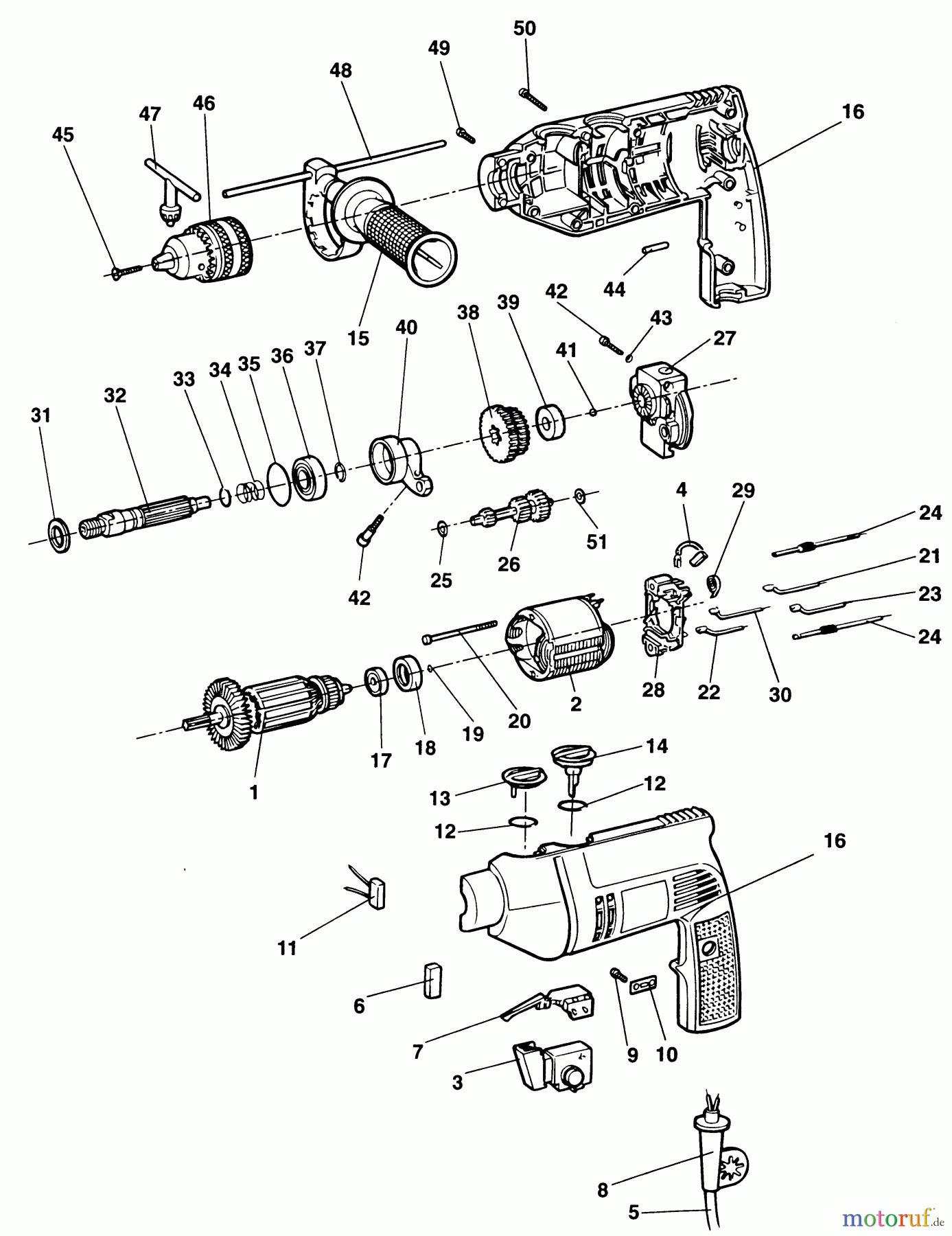
Hier finden Sie die Ersatzteilzeichnung für ELU DRILLING/DRIVING DRILLS BOHRHAMMER SB15E Seite 1. Wählen Sie das benötigte Ersatzteil aus der Ersatzteilliste Ihres ELU Gerätes aus und bestellen Sie einfach online. Viele ELU Ersatzteile halten wir ständig in unserem Lager für Sie bereit.


Qualitätsmanagement
 Informieren Sie uns, wenn Sie einen Fehler gefunden haben.

