ELU RADIAL ARM SAWS/TRAVERSE CONTROLS RADIALARMSÄGE RAS1603---D Ersatzteile
RAS1603---D RADIALARMSÄGE

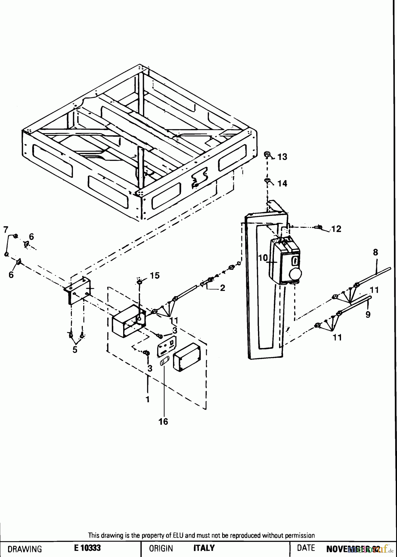
Hier finden Sie die Ersatzteilzeichnung für ELU WOODWORKING RADIAL ARM SAWS/TRAVERSE CONTROLS RADIALARMSÄGE RAS1603---D Seite 1. Wählen Sie das benötigte Ersatzteil aus der Ersatzteilliste Ihres ELU Gerätes aus und bestellen Sie einfach online. Viele ELU Ersatzteile halten wir ständig in unserem Lager für Sie bereit.


Qualitätsmanagement
Informieren Sie uns, wenn Sie einen Fehler gefunden haben.

