PORTER CABLE AIR COMPRESS PXCML224VW Ersatzteile
PXCML224VW PORTER CABLE AIR COMPRESS

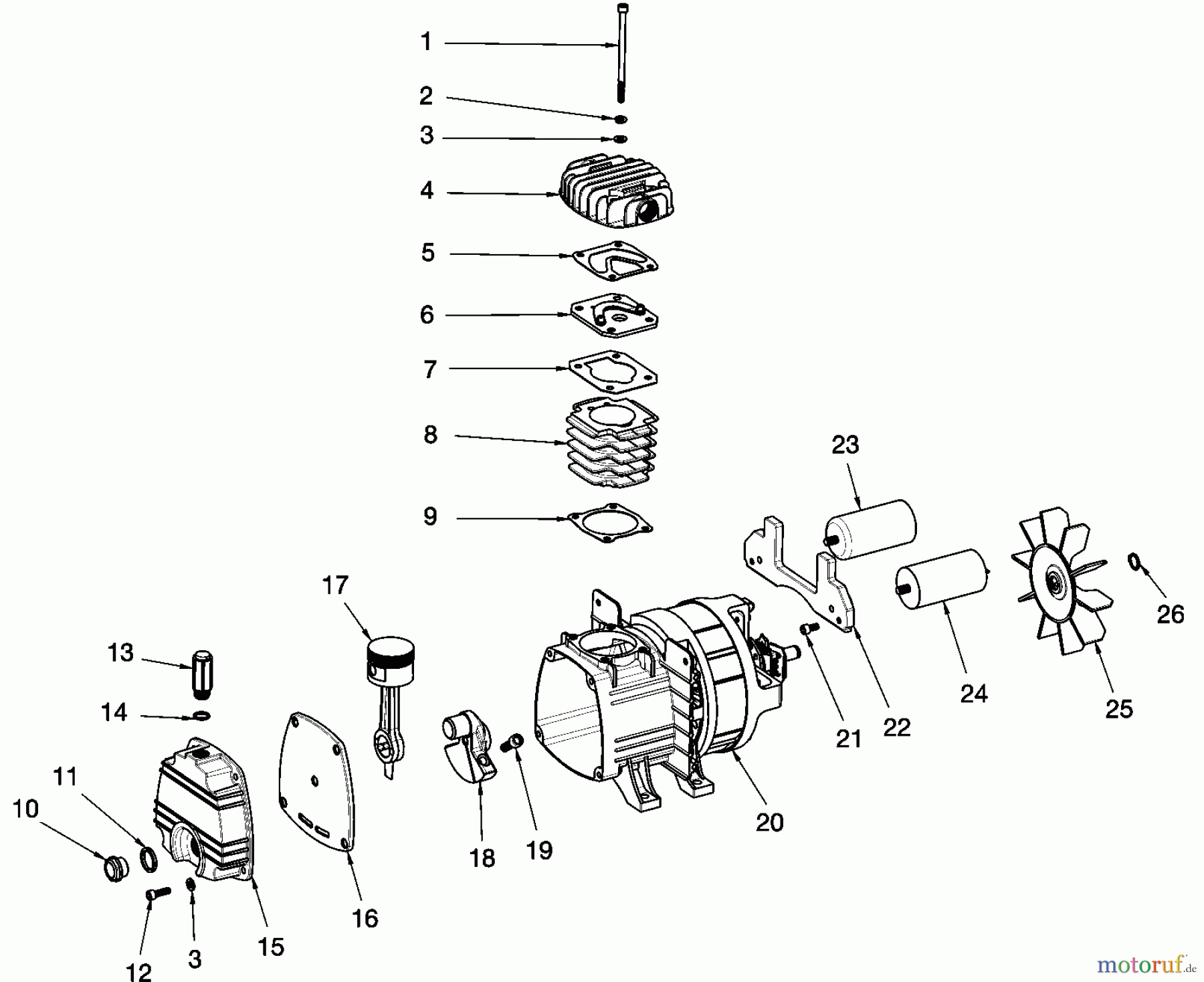
Hier finden Sie die Ersatzteilzeichnung für PORTER CABLE Divers PORTER CABLE AIR COMPRESS PXCML224VW Seite 1. Wählen Sie das benötigte Ersatzteil aus der Ersatzteilliste Ihres PORTER CABLE Gerätes aus und bestellen Sie einfach online. Viele PORTER CABLE Ersatzteile halten wir ständig in unserem Lager für Sie bereit.


Qualitätsmanagement
Informieren Sie uns, wenn Sie einen Fehler gefunden haben.

