ELU SAWS KAPP UND GEHRUNGSSÄGE PS274E Ersatzteile
PS274E KAPP UND GEHRUNGSSÄGE

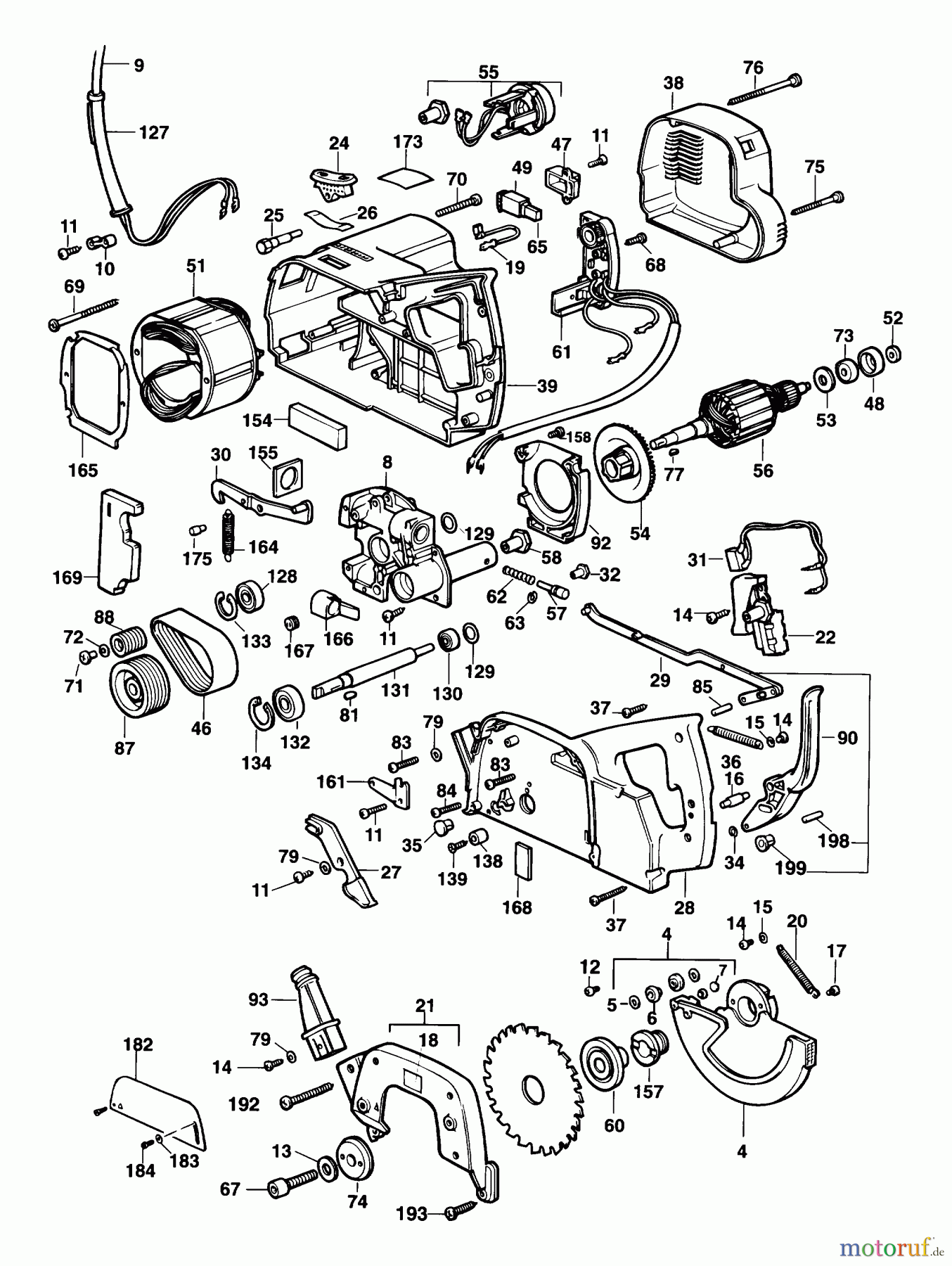
Hier finden Sie die Ersatzteilzeichnung für ELU WOODWORKING SAWS KAPP UND GEHRUNGSSÄGE PS274E Seite 1. Wählen Sie das benötigte Ersatzteil aus der Ersatzteilliste Ihres ELU Gerätes aus und bestellen Sie einfach online. Viele ELU Ersatzteile halten wir ständig in unserem Lager für Sie bereit.


Qualitätsmanagement
Informieren Sie uns, wenn Sie einen Fehler gefunden haben.

