PORTER CABLE VERTICAL SANDER PC7402 Ersatzteile
PC7402 VERTICAL SANDER

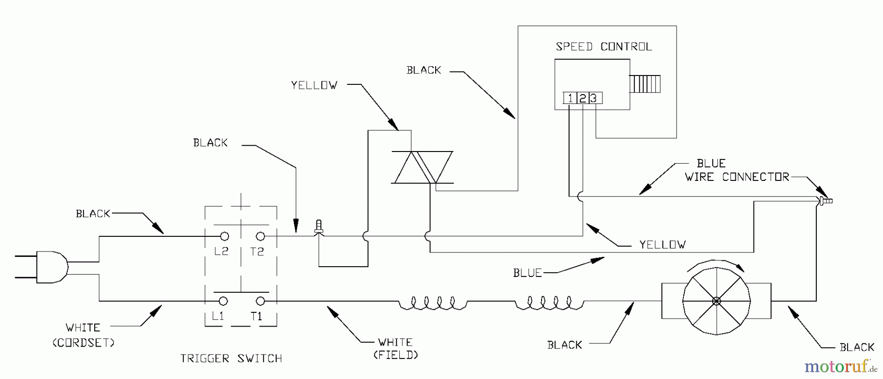
Hier finden Sie die Ersatzteilzeichnung für PORTER CABLE Divers VERTICAL SANDER PC7402 Seite 2. Wählen Sie das benötigte Ersatzteil aus der Ersatzteilliste Ihres PORTER CABLE Gerätes aus und bestellen Sie einfach online. Viele PORTER CABLE Ersatzteile halten wir ständig in unserem Lager für Sie bereit.


Qualitätsmanagement
Informieren Sie uns, wenn Sie einen Fehler gefunden haben.

