PORTER CABLE JIGS, JOINERY & MORTISING ANSCHLUSSFALZMASCH. PC160JT Ersatzteile
PC160JT ANSCHLUSSFALZMASCH.

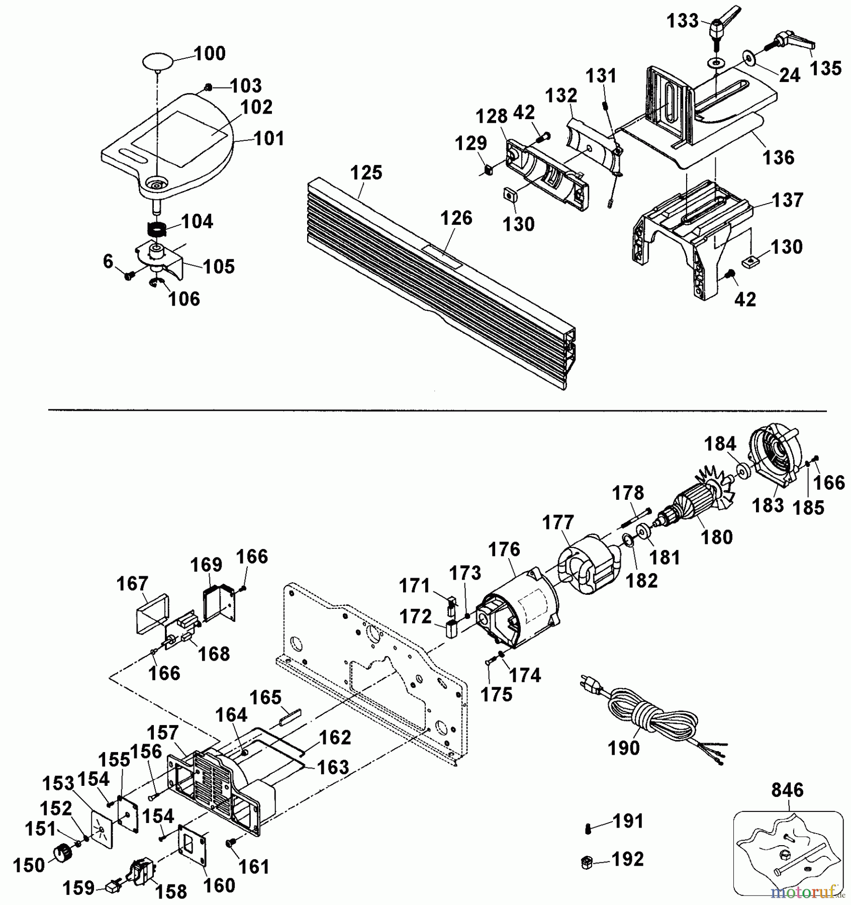
Hier finden Sie die Ersatzteilzeichnung für PORTER CABLE CORDED JIGS, JOINERY & MORTISING ANSCHLUSSFALZMASCH. PC160JT Seite 2. Wählen Sie das benötigte Ersatzteil aus der Ersatzteilliste Ihres PORTER CABLE Gerätes aus und bestellen Sie einfach online. Viele PORTER CABLE Ersatzteile halten wir ständig in unserem Lager für Sie bereit.


Qualitätsmanagement
Informieren Sie uns, wenn Sie einen Fehler gefunden haben.

