PORTER CABLE 7-1/4 CIRC SAW PC15TCSM Ersatzteile
PC15TCSM 7-1/4 CIRC SAW

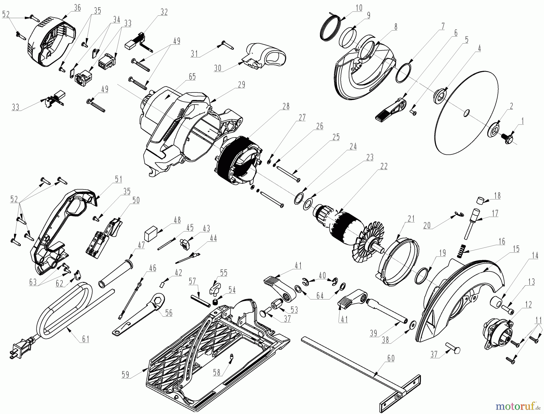
Hier finden Sie die Ersatzteilzeichnung für PORTER CABLE Divers 7-1/4 CIRC SAW PC15TCSM Seite 1. Wählen Sie das benötigte Ersatzteil aus der Ersatzteilliste Ihres PORTER CABLE Gerätes aus und bestellen Sie einfach online. Viele PORTER CABLE Ersatzteile halten wir ständig in unserem Lager für Sie bereit.


Qualitätsmanagement
Informieren Sie uns, wenn Sie einen Fehler gefunden haben.

