PORTER CABLE 14 CHOP SAW PC14CTSD Ersatzteile
PC14CTSD 14 CHOP SAW

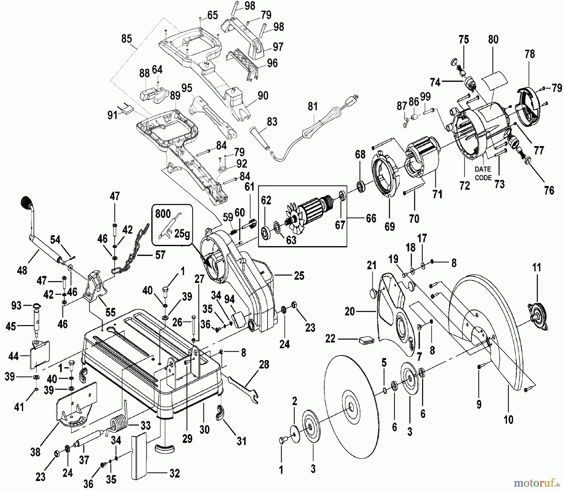
Hier finden Sie die Ersatzteilzeichnung für PORTER CABLE Divers 14 CHOP SAW PC14CTSD Seite 1. Wählen Sie das benötigte Ersatzteil aus der Ersatzteilliste Ihres PORTER CABLE Gerätes aus und bestellen Sie einfach online. Viele PORTER CABLE Ersatzteile halten wir ständig in unserem Lager für Sie bereit.


Qualitätsmanagement
Informieren Sie uns, wenn Sie einen Fehler gefunden haben.

