BLACK+DECKER ZUBEHÖR, ANBAUGERÄTE & UNMOTORISIERT BOHRMASCHINENSTÄNDER P9101 Ersatzteile
P9101 BOHRMASCHINENSTÄNDER

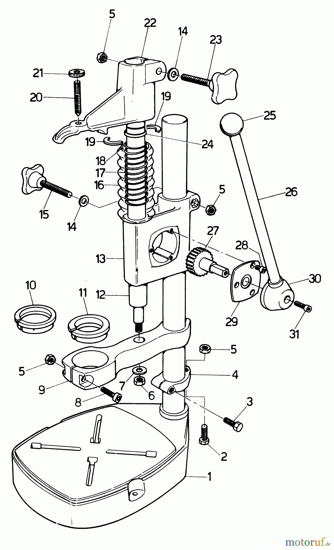
Hier finden Sie die Ersatzteilzeichnung für BLACK+DECKER PROFESSIONELL ZUBEHÖR, ANBAUGERÄTE & UNMOTORISIERT BOHRMASCHINENSTÄNDER P9101 Seite 1. Wählen Sie das benötigte Ersatzteil aus der Ersatzteilliste Ihres BLACK+DECKER Gerätes aus und bestellen Sie einfach online. Viele BLACK+DECKER Ersatzteile halten wir ständig in unserem Lager für Sie bereit.



