BLACK+DECKER BOHRER, MAGNETBOHRMASCHINE, GEWINDESCHNEIDER BOHRER P1229 Ersatzteile
P1229 BOHRER

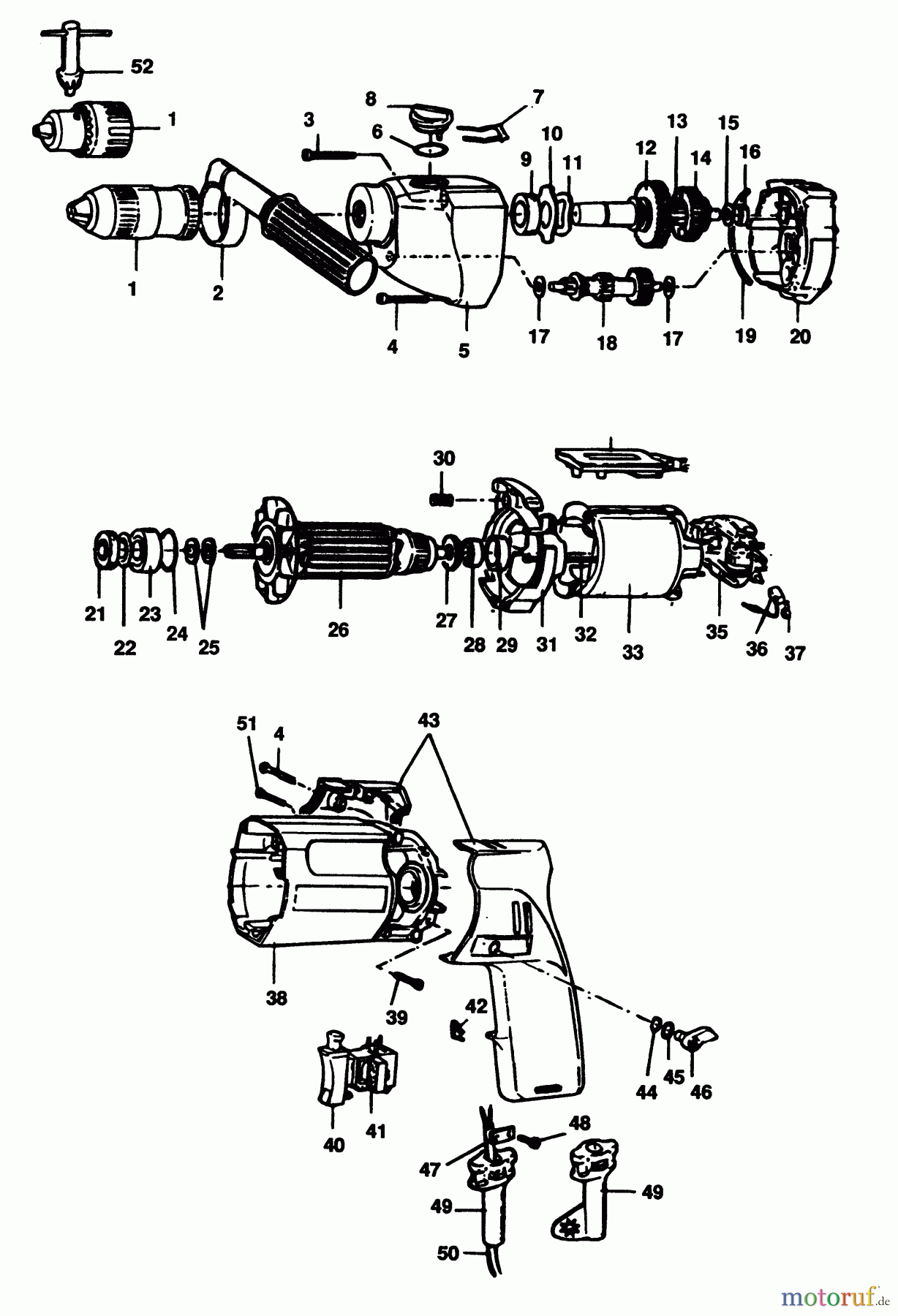
Hier finden Sie die Ersatzteilzeichnung für BLACK+DECKER PROFESSIONELL BOHRER, MAGNETBOHRMASCHINE, GEWINDESCHNEIDER BOHRER P1229 Seite 1. Wählen Sie das benötigte Ersatzteil aus der Ersatzteilliste Ihres BLACK+DECKER Gerätes aus und bestellen Sie einfach online. Viele BLACK+DECKER Ersatzteile halten wir ständig in unserem Lager für Sie bereit.



