WUERTH FRÄSMASCHINE OF750E Ersatzteile
OF750E FRÄSMASCHINE

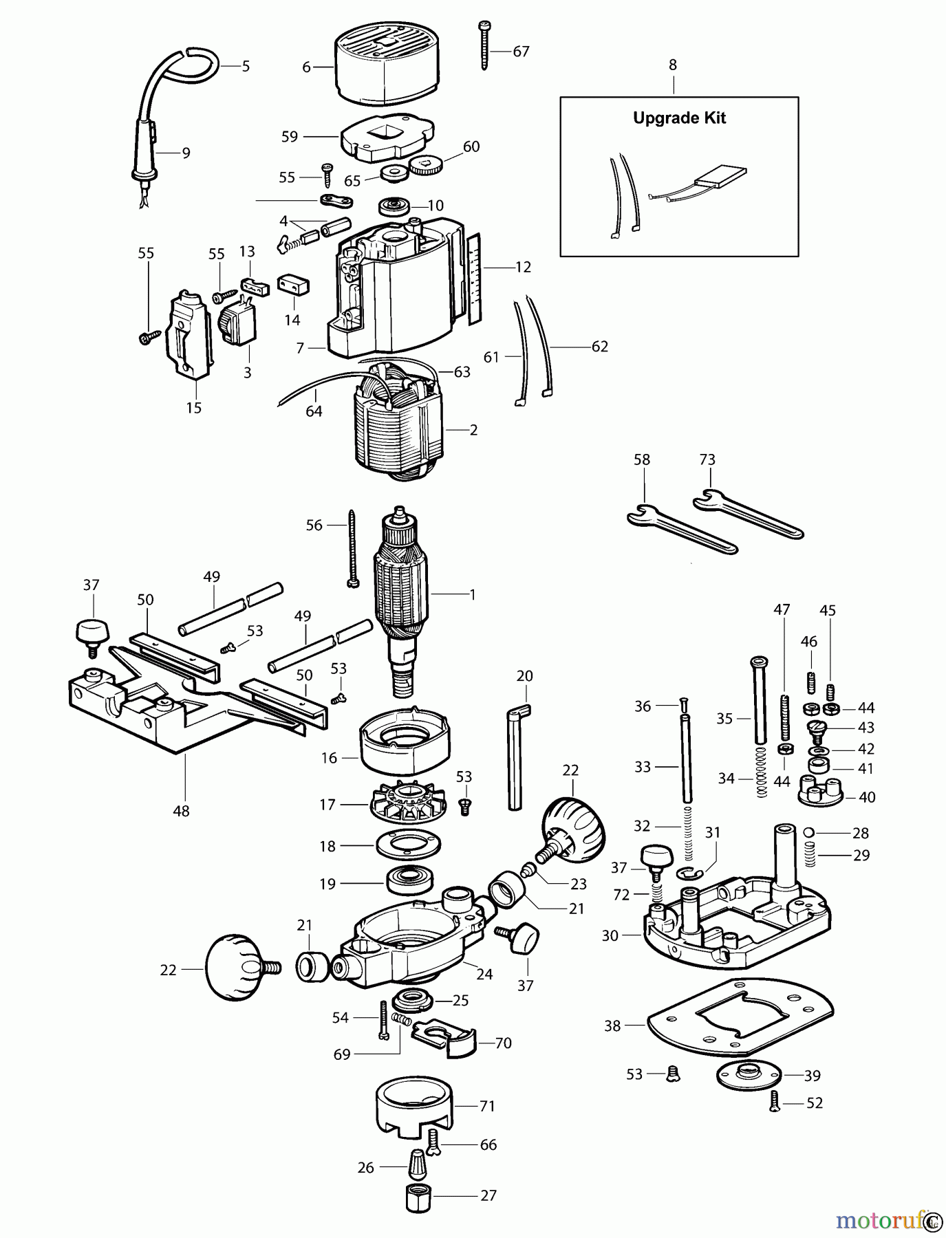
Hier finden Sie die Ersatzteilzeichnung für WUERTH Divers FRÄSMASCHINE OF750E Seite 1. Wählen Sie das benötigte Ersatzteil aus der Ersatzteilliste Ihres WUERTH Gerätes aus und bestellen Sie einfach online. Viele WUERTH Ersatzteile halten wir ständig in unserem Lager für Sie bereit.


Qualitätsmanagement
Informieren Sie uns, wenn Sie einen Fehler gefunden haben.

