PORTER CABLE NAILERS DRUCKLUFTKLAMMER AGRAFEUSE NS150C Ersatzteile
NS150C DRUCKLUFTKLAMMER AGRAFEUSE

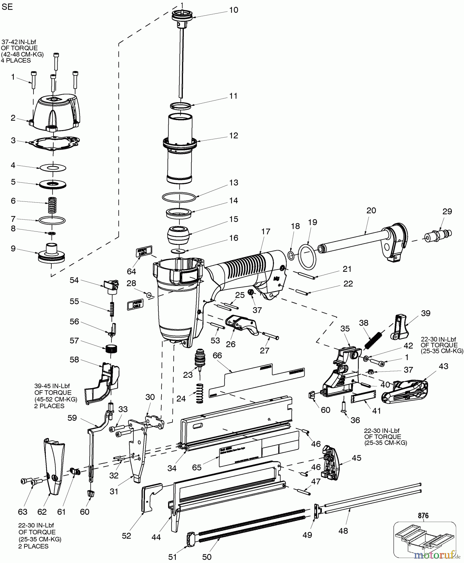
Hier finden Sie die Ersatzteilzeichnung für PORTER CABLE AIR NAILERS DRUCKLUFTKLAMMER AGRAFEUSE NS150C Seite 1. Wählen Sie das benötigte Ersatzteil aus der Ersatzteilliste Ihres PORTER CABLE Gerätes aus und bestellen Sie einfach online. Viele PORTER CABLE Ersatzteile halten wir ständig in unserem Lager für Sie bereit.


Qualitätsmanagement
Informieren Sie uns, wenn Sie einen Fehler gefunden haben.

