FACOM AIR TOOLS SCHLAGSCHRAUBENSCHL. NS.1010 Ersatzteile
NS.1010 SCHLAGSCHRAUBENSCHL.

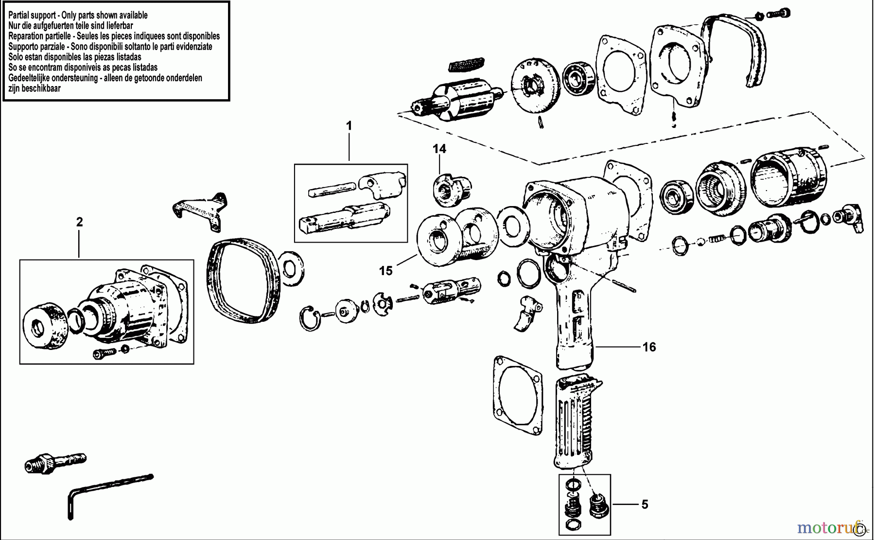
Hier finden Sie die Ersatzteilzeichnung für FACOM POWER TOOLS AIR TOOLS SCHLAGSCHRAUBENSCHL. NS.1010 Seite 1. Wählen Sie das benötigte Ersatzteil aus der Ersatzteilliste Ihres FACOM Gerätes aus und bestellen Sie einfach online. Viele FACOM Ersatzteile halten wir ständig in unserem Lager für Sie bereit.
| BildNr | Artikel Nummer | Bezeichnung | |
| 1 | SB-NS.1010RN1 | AMBOSS ZSB | |
| 2 | SB-NS.1010SE1 | VORDERES GEHAEUSE | |
| 5 | SB-NS.1010SE4 | BUCHSE | |
| 14 | SB-NS.1010-054 | KAMM | |
| 15 | SB-NS.1010-055 | ELEKTRODE | |
| 16 | SB-000000-05 | PARTIAL SUPPORT - ONLY PARTS LISTED AVAI | |


Qualitätsmanagement
Informieren Sie uns, wenn Sie einen Fehler gefunden haben.

