FACOM AIR TOOLS SCHLAGSCHRAUBENSCHL. NM.1200F Ersatzteile
NM.1200F SCHLAGSCHRAUBENSCHL.

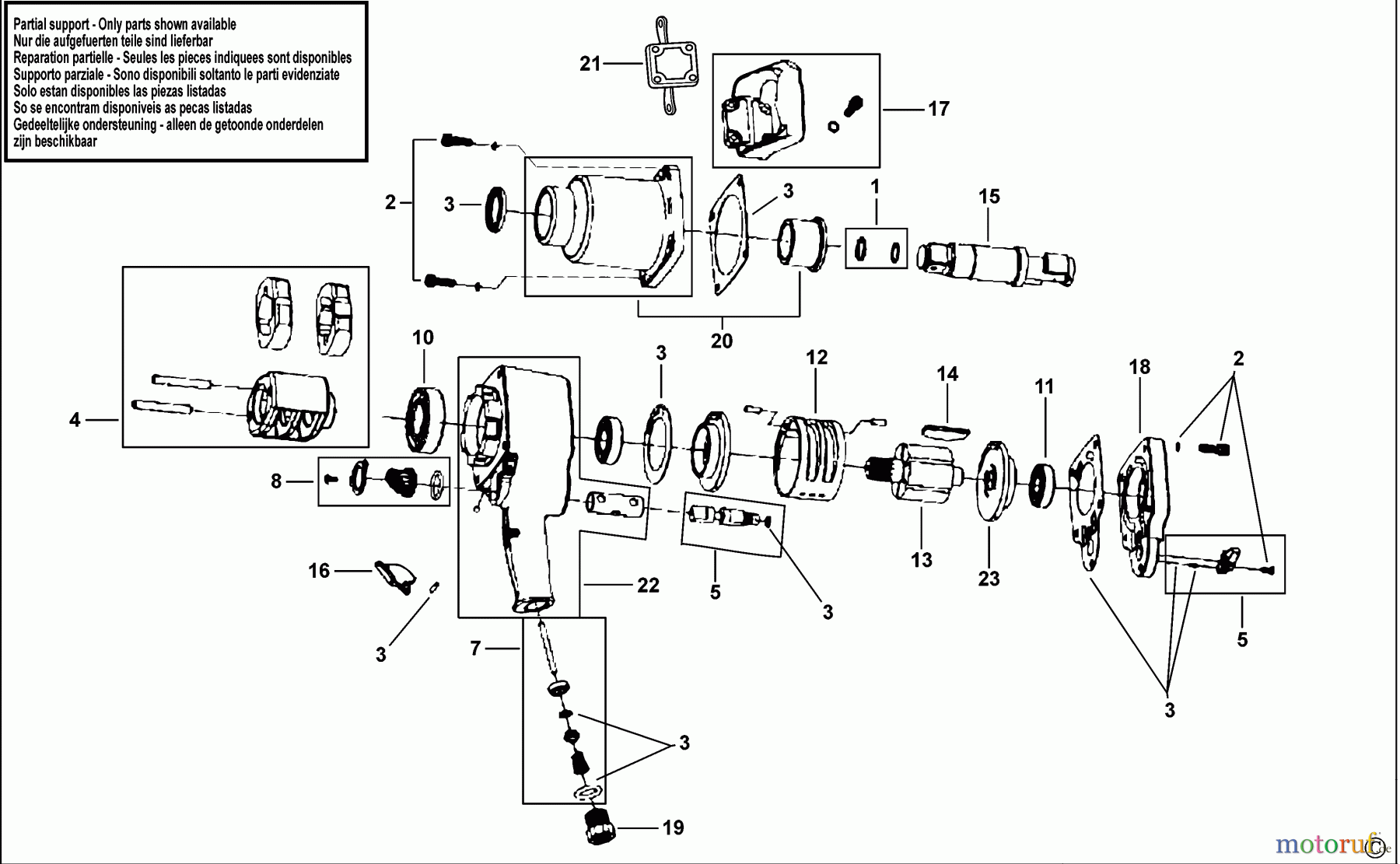
Hier finden Sie die Ersatzteilzeichnung für FACOM POWER TOOLS AIR TOOLS SCHLAGSCHRAUBENSCHL. NM.1200F Seite 1. Wählen Sie das benötigte Ersatzteil aus der Ersatzteilliste Ihres FACOM Gerätes aus und bestellen Sie einfach online. Viele FACOM Ersatzteile halten wir ständig in unserem Lager für Sie bereit.


Qualitätsmanagement
Informieren Sie uns, wenn Sie einen Fehler gefunden haben.

