FACOM AIR TOOLS SCHLAGSCHRAUBENSCHL. NM.1010L Ersatzteile
NM.1010L SCHLAGSCHRAUBENSCHL.

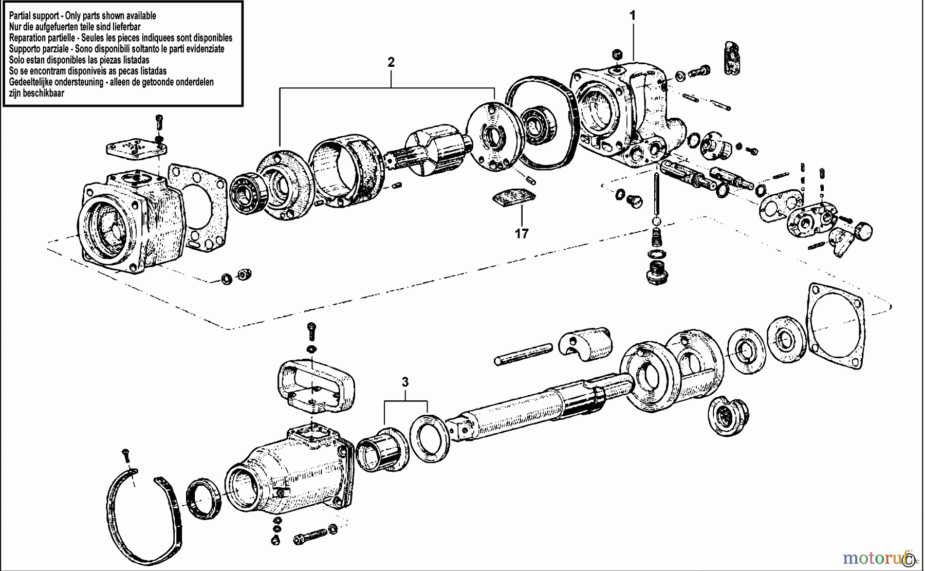
Hier finden Sie die Ersatzteilzeichnung für FACOM POWER TOOLS AIR TOOLS SCHLAGSCHRAUBENSCHL. NM.1010L Seite 1. Wählen Sie das benötigte Ersatzteil aus der Ersatzteilliste Ihres FACOM Gerätes aus und bestellen Sie einfach online. Viele FACOM Ersatzteile halten wir ständig in unserem Lager für Sie bereit.
| BildNr | Artikel Nummer | Bezeichnung | |
| 1 | SB-000000-05 | PARTIAL SUPPORT - ONLY PARTS LISTED AVAI | |
| 2 | SB-NM.1000SE1 | PLATTENKIT | |
| 3 | SB-NM.1000SE2 | BUCHSE | |
| 17 | SB-NM.1000-046J5 | ROTOR BLADE | |


Qualitätsmanagement
Informieren Sie uns, wenn Sie einen Fehler gefunden haben.

