FACOM AIR TOOLS SCHLAGSCHRAUBENSCHL. NK.990B Ersatzteile
NK.990B SCHLAGSCHRAUBENSCHL.

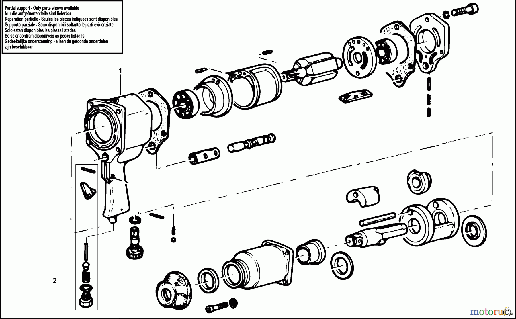
Hier finden Sie die Ersatzteilzeichnung für FACOM POWER TOOLS AIR TOOLS SCHLAGSCHRAUBENSCHL. NK.990B Seite 1. Wählen Sie das benötigte Ersatzteil aus der Ersatzteilliste Ihres FACOM Gerätes aus und bestellen Sie einfach online. Viele FACOM Ersatzteile halten wir ständig in unserem Lager für Sie bereit.
| BildNr | Artikel Nummer | Bezeichnung | |
| 1 | SB-000000-05 | PARTIAL SUPPORT - ONLY PARTS LISTED AVAI | |
| 2 | SB-NK.990BSE4 | DROSSELSTEUERUNG | |



