FACOM AIR TOOLS SCHLAGSCHRAUBENSCHL. NK.1100 Ersatzteile
NK.1100 SCHLAGSCHRAUBENSCHL.

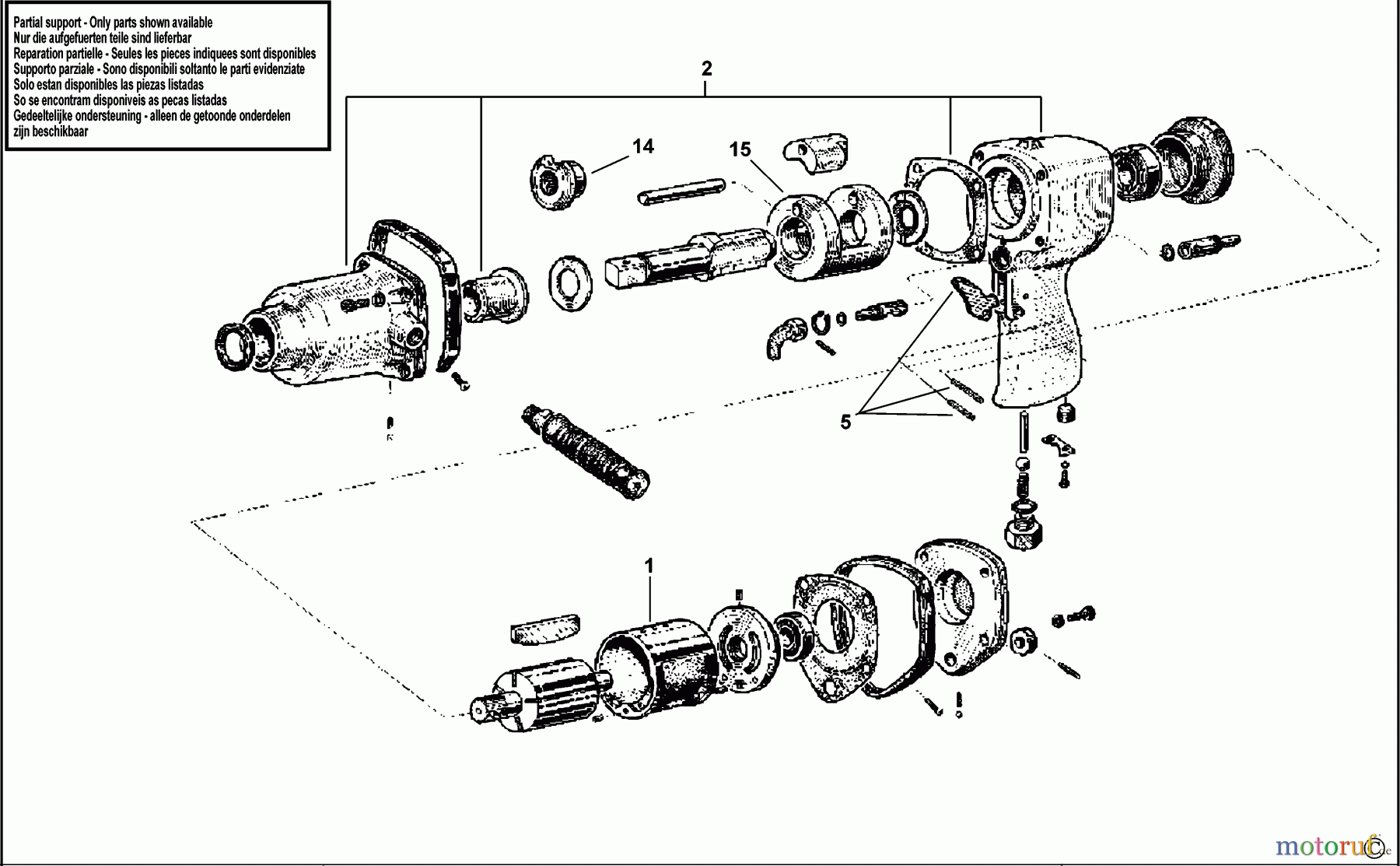
Hier finden Sie die Ersatzteilzeichnung für FACOM POWER TOOLS AIR TOOLS SCHLAGSCHRAUBENSCHL. NK.1100 Seite 1. Wählen Sie das benötigte Ersatzteil aus der Ersatzteilliste Ihres FACOM Gerätes aus und bestellen Sie einfach online. Viele FACOM Ersatzteile halten wir ständig in unserem Lager für Sie bereit.
| BildNr | Artikel Nummer | Bezeichnung | |
| 1 | SB-000000-05 | PARTIAL SUPPORT - ONLY PARTS LISTED AVAI | |
| 2 | SB-NK.1100SE1 | GEHAEUSE | |
| 5 | SB-NK.1100SE4 | SCHALTGRIFF | |
| 14 | SB-NK.1100-054 | KAMM | |
| 15 | SB-NK.1100-055 | HAMMER RAHMEN | |


Qualitätsmanagement
Informieren Sie uns, wenn Sie einen Fehler gefunden haben.

